Poulan / Weed Eater PP800MIA - Poulan Pro Walk-Behind Mower MOWER ASSEMBLY, ENGINE B/S 12482 Ersatzteile
MOWER ASSEMBLY, ENGINE B/S 12482 PP800MIA - Poulan Pro Walk-Behind Mower

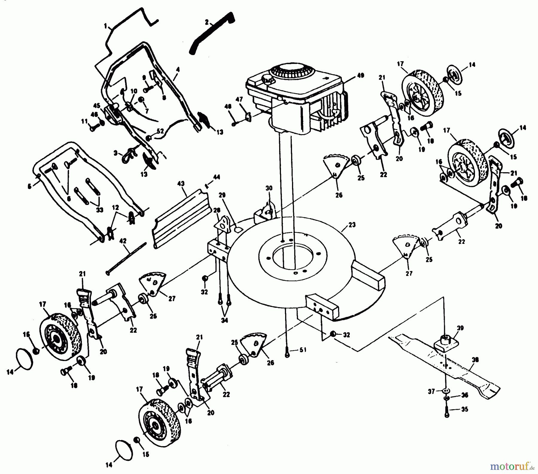
Hier finden Sie die Ersatzteilzeichnung für Poulan / Weed Eater Rasenmäher PP800MIA - Poulan Pro Walk-Behind Mower MOWER ASSEMBLY, ENGINE B/S 12482. Wählen Sie das benötigte Ersatzteil aus der Ersatzteilliste Ihres Poulan / Weed Eater Gerätes aus und bestellen Sie einfach online. Viele Poulan / Weed Eater Ersatzteile halten wir ständig in unserem Lager für Sie bereit.






