Poulan / Weed Eater PP740S - Poulan Pro Walk-Behind Mower MOWER HOUSING, ENGINE B/S 96902 Ersatzteile
MOWER HOUSING, ENGINE B/S 96902 PP740S - Poulan Pro Walk-Behind Mower

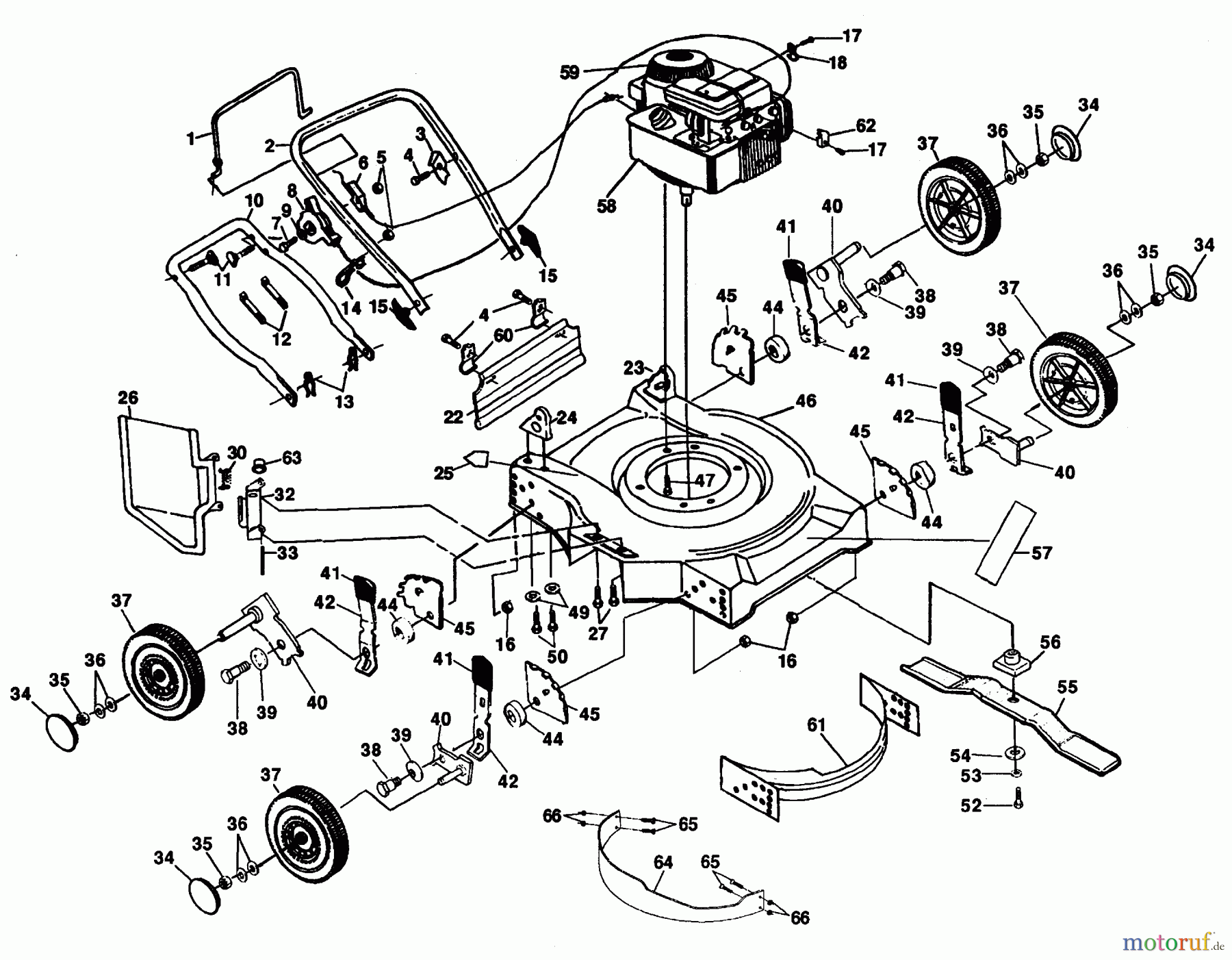
Hier finden Sie die Ersatzteilzeichnung für Poulan / Weed Eater Rasenmäher PP740S - Poulan Pro Walk-Behind Mower MOWER HOUSING, ENGINE B/S 96902. Wählen Sie das benötigte Ersatzteil aus der Ersatzteilliste Ihres Poulan / Weed Eater Gerätes aus und bestellen Sie einfach online. Viele Poulan / Weed Eater Ersatzteile halten wir ständig in unserem Lager für Sie bereit.


Qualitätsmanagement
Informieren Sie uns, wenn Sie einen Fehler gefunden haben.




