Murray ST6524 (624650x16B) - Frontier 24" Dual Stage Snow Thrower (2007) Frame Ersatzteile
Frame ST6524 (624650x16B) - Frontier 24" Dual Stage Snow Thrower (2007)

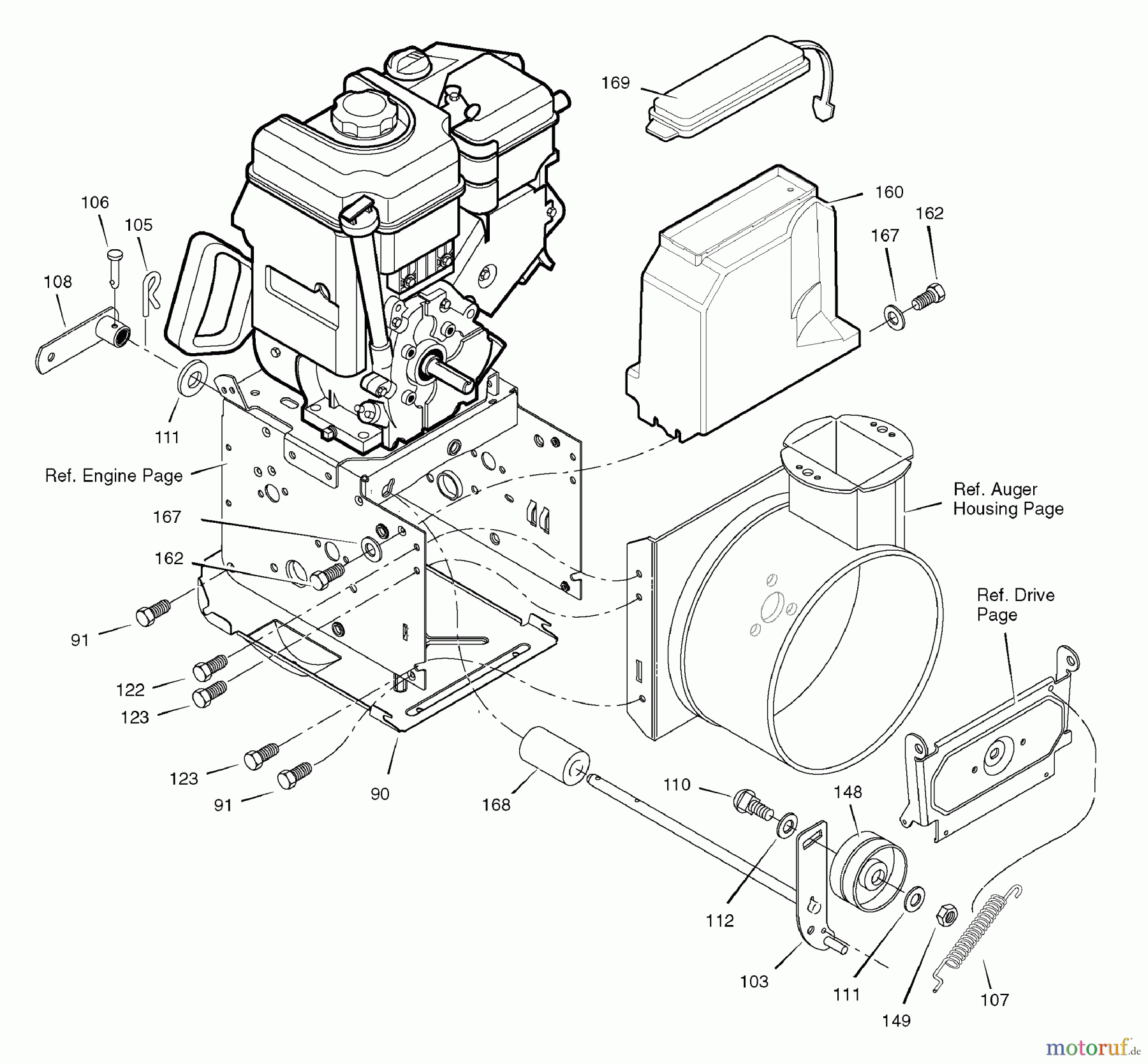
Hier finden Sie die Ersatzteilzeichnung für Murray Schneefräsen ST6524 (624650x16B) - Frontier 24" Dual Stage Snow Thrower (2007) Frame. Wählen Sie das benötigte Ersatzteil aus der Ersatzteilliste Ihres Murray Gerätes aus und bestellen Sie einfach online. Viele Murray Ersatzteile halten wir ständig in unserem Lager für Sie bereit.
| BildNr | Artikel Nummer | Bezeichnung | |
| 90 | BSMT1501055E701MA | PANEELE,BODEN | |
| 91 | BSMT310169MA | ||
| 103 | BSMT1501111YZMA | LEERLAUF,AUG CF-STD HDL | |
| 105 | BSMT711682MA | PIN,HAIR | |
| 106 | BSMT761761MA | PIN,CLEVIS.18D | |
| 107 | BSMT165X160MA | ||
| 108 | BSMT1733451SM | ||
| 110 | BSMT585781MA | ||
| 111 | BSMT711617MA | WASHER.540-0.81-.06 F | |
| 112 | BSMT017X48MA | ||
| 122 | BSMT25X021MA | SCHRAUBE.31-18X0.75 WAHH | |
| 123 | BSMT25X020MA | SCREW.31-18X0.50 WAHH | |
| 148 | BSMT1502120MA | ||
| 149 | BSMT590MA | ||
| 160 | BSMT1502167MA | ||
| 162 | BSMT26X306MA | SCREW.25-ABX0.75 HEX | |
| 167 | BSMT71067MA | ||
| 168 | BSMT1502041MA | ||
| 169 | BSMT760539MA | LID,TOOLBOX COVER 653 | |



