Murray ST1332 (632130x16D) - Frontier 32" Dual Stage Snow Thrower (2005) Engine Ersatzteile
Engine ST1332 (632130x16D) - Frontier 32" Dual Stage Snow Thrower (2005)

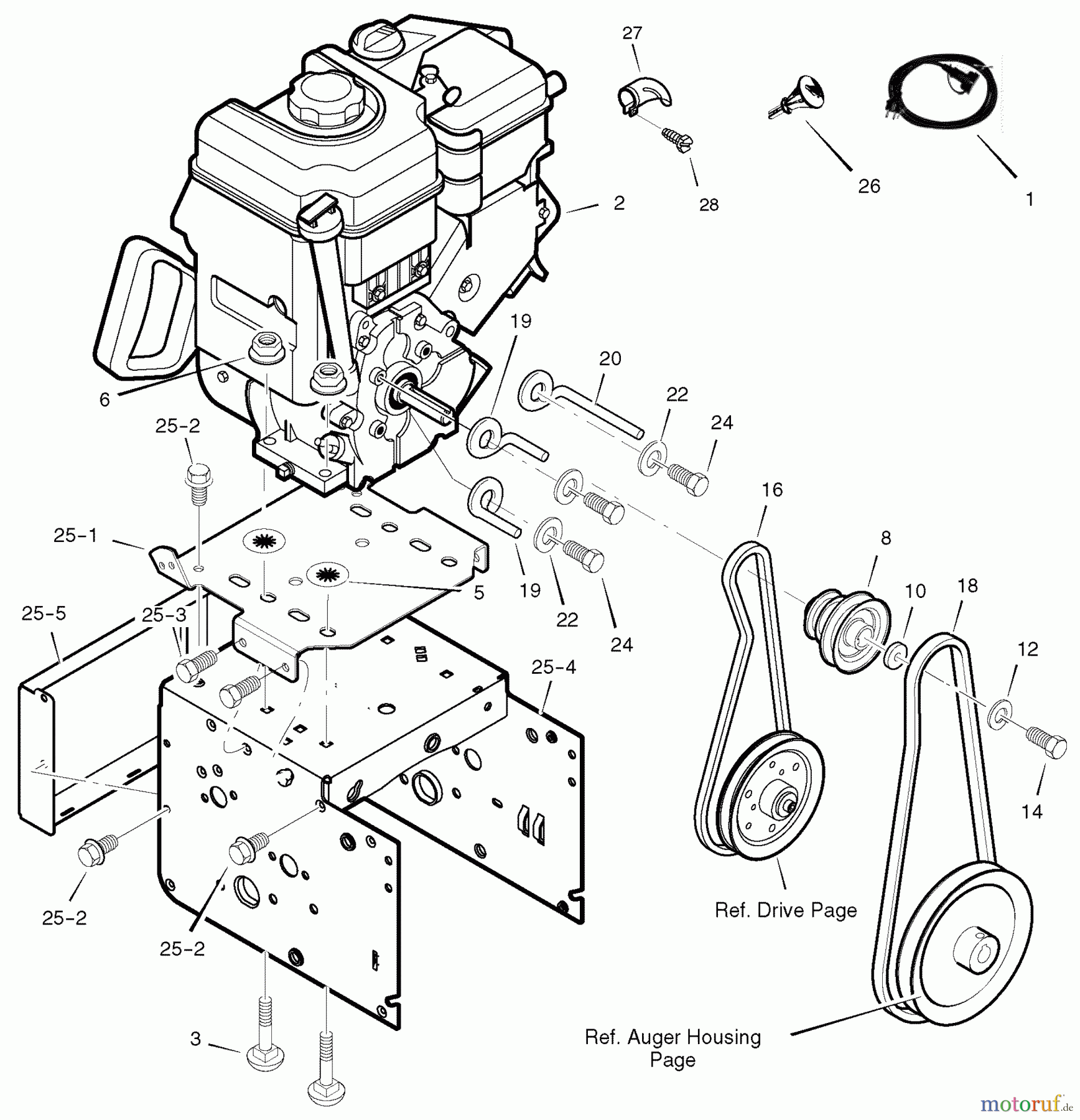
Hier finden Sie die Ersatzteilzeichnung für Murray Schneefräsen ST1332 (632130x16D) - Frontier 32" Dual Stage Snow Thrower (2005) Engine. Wählen Sie das benötigte Ersatzteil aus der Ersatzteilliste Ihres Murray Gerätes aus und bestellen Sie einfach online. Viele Murray Ersatzteile halten wir ständig in unserem Lager für Sie bereit.
| BildNr | Artikel Nummer | Bezeichnung | |
| 1 | BSMT6219 | ||
| 2 | BS | Eingangswelle UE 600 | |
| 3 | BS002X97MA | BOLT, CARR 5/16 | |
| 5 | BS028X76MA | SCHNELLMUTTER | |
| 6 | BSMT710026 | ||
| 8 | BSMT1501109 | ||
| 10 | BSMT717X170 | ||
| 12 | BSMT71063 | ||
| 14 | BS001X20MA | BOLT-HEX.37-24X1.00 Z | |
| 16 | BS37X127MA | BELT,DRV3L 25.65 HYD9 | |
| 18 | BSMT585416 | ||
| 19 | BSMT1501368 | ||
| 20 | BSMT1501201 | ||
| 22 | BSMT71060 | ||
| 24 | BSMT710097 | ||
| 25 | BS | Eingangswelle UE 600 | |
| 25--1 | BSMT1501062E511 | ||
| 25--2 | BSMT310169 | ||
| 25--3 | BS25X020MA | SCREW.31-18X0.50 WAHH | |
| 25--4 | BSMT1501295E511 | ||
| 25--5 | BSMT1501333E511 | ||
| 26 | BSMT1501214 | ||
| 27 | BSMT697816 | ||
| 28 | BS810140MA | SCHRAUBE SCHALLDAEMPFERSCHUTZ | |
| ---- | BSMTF--051059L | ||


Qualitätsmanagement
Informieren Sie uns, wenn Sie einen Fehler gefunden haben.

