Murray 627118x43A - Yard King 27" Dual Stage Snow Thrower (2003) Control Panel Ersatzteile
Control Panel 627118x43A - Yard King 27" Dual Stage Snow Thrower (2003)

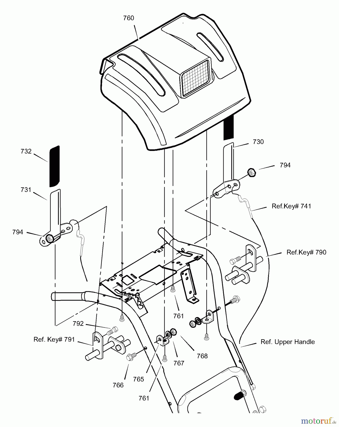
Hier finden Sie die Ersatzteilzeichnung für Murray Schneefräsen 627118x43A - Yard King 27" Dual Stage Snow Thrower (2003) Control Panel. Wählen Sie das benötigte Ersatzteil aus der Ersatzteilliste Ihres Murray Gerätes aus und bestellen Sie einfach online. Viele Murray Ersatzteile halten wir ständig in unserem Lager für Sie bereit.


Qualitätsmanagement
Informieren Sie uns, wenn Sie einen Fehler gefunden haben.

