Murray 622515x31B - Scotts 22" Dual Stage Snow Thrower (2000) (Home Depot) Shift Yoke Assembly Ersatzteile
Shift Yoke Assembly 622515x31B - Scotts 22" Dual Stage Snow Thrower (2000) (Home Depot)

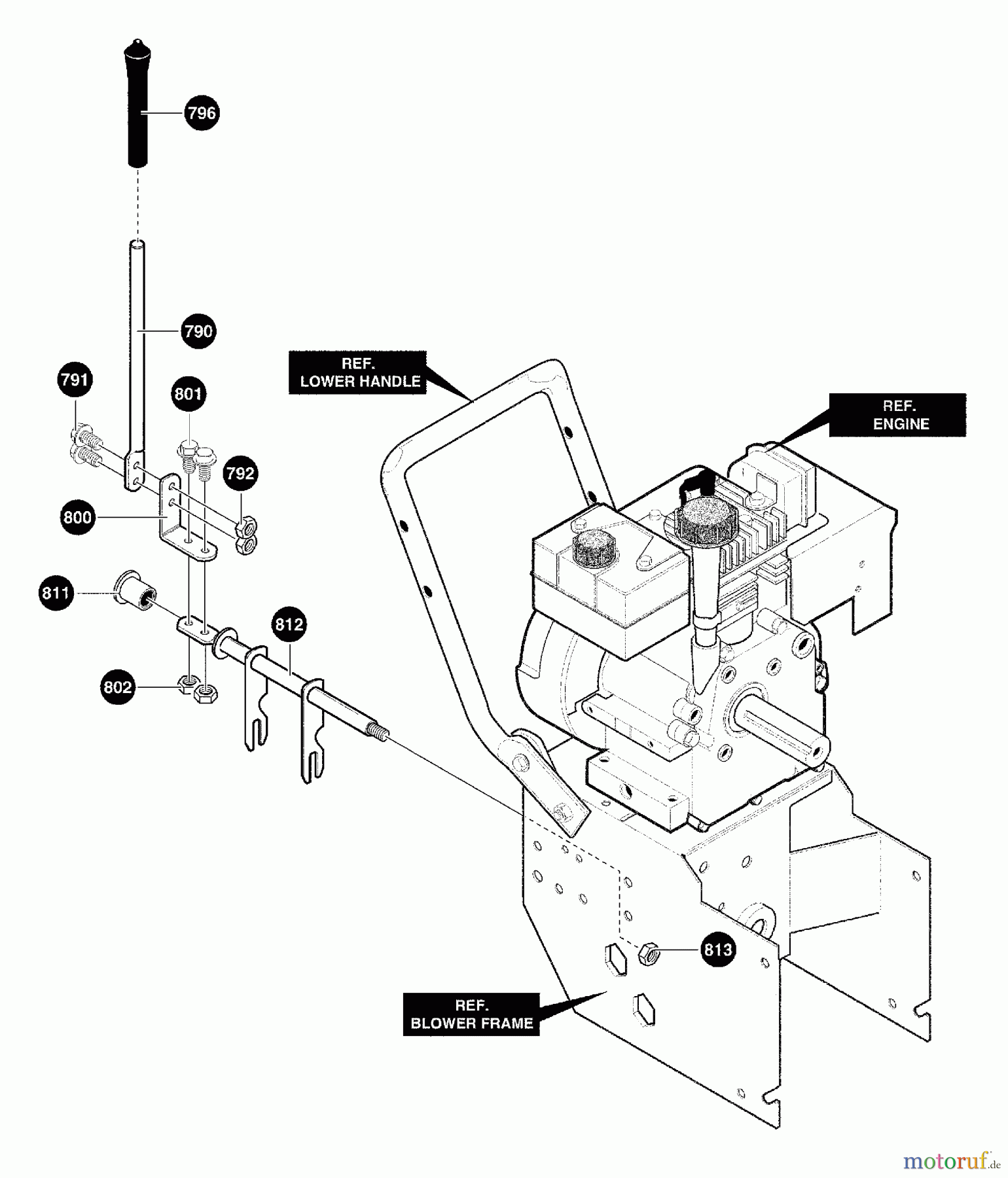
Hier finden Sie die Ersatzteilzeichnung für Murray Schneefräsen 622515x31B - Scotts 22" Dual Stage Snow Thrower (2000) (Home Depot) Shift Yoke Assembly. Wählen Sie das benötigte Ersatzteil aus der Ersatzteilliste Ihres Murray Gerätes aus und bestellen Sie einfach online. Viele Murray Ersatzteile halten wir ständig in unserem Lager für Sie bereit.
| BildNr | Artikel Nummer | Bezeichnung | |
| 790 | BS762299-821 | ||
| 791 | BS302628MA | SCHRAUBE, 1/4-20X .75 HH | |
| 792 | BS782585MA | NUT.25-20 HEX CTRL0CK | |
| 796 | BS331624MA | KNOB, SLIP PLASTISOL | |
| 800 | BS762333 | ||
| 801 | BS302628MA | SCHRAUBE, 1/4-20X .75 HH | |
| 802 | BS782585 | ||
| 811 | BS579944MA | BRNG FL .500ID X .88 | |
| 812 | BS581795MA | LF ROD, ASSY YOKE'' CM | |
| 813 | BS71111MA | MUTTER 38-16 SECHSKANT CTRLK | |


Qualitätsmanagement
Informieren Sie uns, wenn Sie einen Fehler gefunden haben.

