Einstellungen Computer

Murray 22767x4A - 22" Walk-Behind Mower (1997) Mower Housing Assembly Ersatzteile

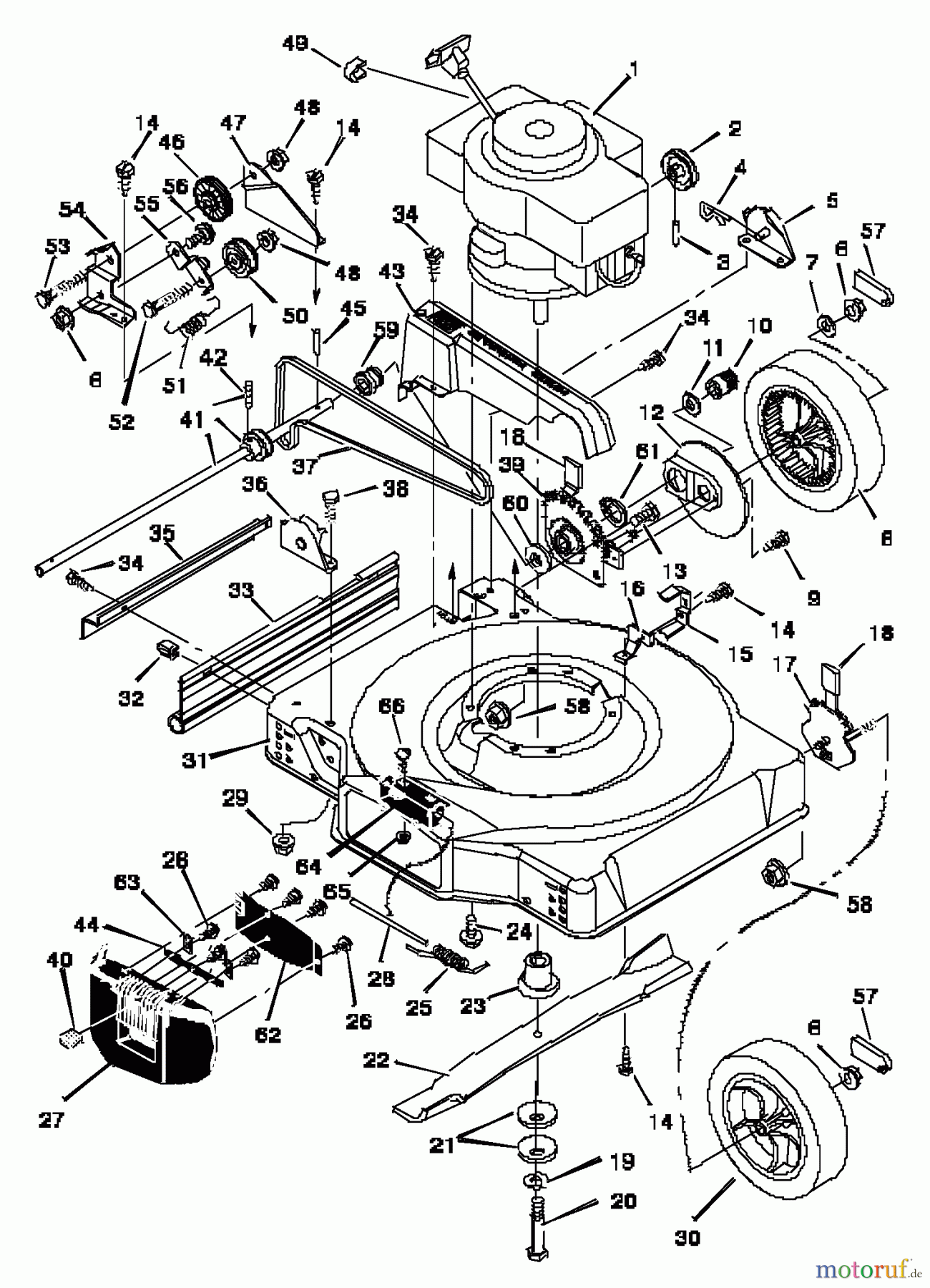
Mower Housing Assembly 22767x4A - Murray 22" Walk-Behind Mower (1997)

 Murray Rasenmäher 22767x4A - Murray 22

Hier finden Sie die Ersatzteilzeichnung für Murray Rasenmäher 22767x4A - Murray 22" Walk-Behind Mower (1997) Mower Housing Assembly. Wählen Sie das benötigte Ersatzteil aus der Ersatzteilliste Ihres Murray Gerätes aus und bestellen Sie einfach online. Viele Murray Ersatzteile halten wir ständig in unserem Lager für Sie bereit.

BildNrArtikel NummerBezeichnung
1 BSEingangswelle UE 600
2 BS071434MAPULLEY-ENG PTO 22RD
3 BS032X54
4 BS031X10MAPIN-HAIR .38D-.062T
5 BS042713E700
6 BS015X84MAMUTTER, CENTERLOCK .38-
7 BS17X168ZMAUNTERLEGSCHEIBE.39-1.2-.11 FL
8 BS672208
9 BS22X221
10 BS043630MAPINION RH 43526 PA
-- BS043631MAPINION LH 43526 PA
11 BS17X124MAWASHER.40.81 16G FLT
12 BS071032MADUSTCOVER 22SD RD 8X2
13 BS001X85MASECHSKANTBOLZEN.38-16X0.75 Z
14 BS23X214
15 BS41051 Z
16 BS71048 Z
-- BS071050 Z
17 BS401025MAHGT ADJ 20/21/22 STD
18 BS043304
19 BS17X124MAWASHER.40.81 16G FLT
20 BS01X143MABOLT,HEX.37-24X2.37PH
21 BS17X137MAWASHER.39-2.2 11G FL
22 BS17049E701
23 BS071057MAMESSER ADAPTER 22" SP
24 BS0025X6MASCREW, TRI .38-16 X
25 BS186X37
26 BS26X221MASCREW-.25 X.50 SF TP
27 BS071609
28 BS215X15 Z
29 BS015X82MANUT,FLANGELOCK.25-20
30 BS672082
31 BS070133
32 BS042743MAGUARD, RETAINER REAR
33 BS401022MAHGT ADJ ASSY RR
34 BS26X245MASCHRAUBE-#10X.5 B W/WAS
35 BS71034MASECHSKANTMUTTER 25 - 20
36 BS42712E700
37 BS037X72MABELT
-- BS037X73MARIEMEN
38 BS001X38MASECHSKANTBOLZEN .25 20X0.62
39 BS401029MAHOHENVERSTELLER ASY RR1/2AXL
-- BS401022MAHGT ADJ ASSY RR
40 BS071685
41 BS71468
42 BS023X50
43 BS071024
-- BS071025
44 BS071684
45 BS043628
46 BS71055MAMUTTER,10-24 SECHSKANT NYLOCK
47 BS071046 Z
48 Murray NUT,CENTERLOCK  Z  .3BS015X88MANUT,CENTERLOCK Z .3
49 BS042189MAKLEMME-SEILSTOPP
50 BS071054MAUMLENKARM-RUCKSEITE
51 BS165X94MAZUGFEDER
52 BS01X141MABOLT,HEX .31-18X1.12
53 BS01X102MASECHSKANTSCHRAUBE
54 BS071045 Z
55 BS071026 Z
56 BS009X48MAANSATZBOLZEN.38-16X.499D
57 BS043615MAHUBCAP 8X2 BAR GRAY
58 BS015X68MAMUTTER.38-16 FLANSCHARRETIERUN
59 BS070250MAAXLE BEARING ASSY
60 BS17X178MAUNTERLEGSCHEIBE BELLEVILLE
61 BS011X24MARING-SNAP.984D-.078T
62 BS071610E700
63 BS071688
64 BS071611E700
65 BS015X89MAMUTTER 25-20FLANSCHARRETIERUNG
66 BS002X82MASCHLOSSSCHRAUBE .25-20X
-- BSF-97480
Rasen
Bankeinzug, MasterCard, Visa, American Express, PayPal, Nachnahme, Vorauskasse, Sofortüberweisung
Datenschutzerklärung Impressum
Qualitätsmanagement
Informieren Sie uns, wenn Sie einen Fehler gefunden haben.