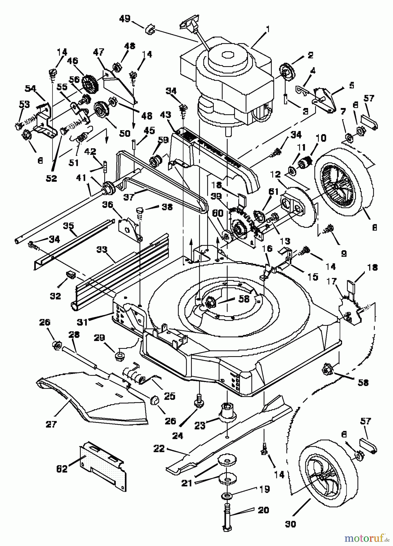
Murray 22767x41E - B&S/ 22" Walk-Behind Mower (1997) (Service Merchandise) Mower Housing Assembly Ersatzteile
Mower Housing Assembly 22767x41E - B&S/Murray 22" Walk-Behind Mower (1997) (Service Merchandise)

Hier finden Sie die Ersatzteilzeichnung für Murray Rasenmäher 22767x41E - B&S/Murray 22" Walk-Behind Mower (1997) (Service Merchandise) Mower Housing Assembly. Wählen Sie das benötigte Ersatzteil aus der Ersatzteilliste Ihres Murray Gerätes aus und bestellen Sie einfach online. Viele Murray Ersatzteile halten wir ständig in unserem Lager für Sie bereit.




