Murray 218910x43F - Yard King 21" Walk-Behind Mower (2004) Engine Mount Ersatzteile
Engine Mount 218910x43F - Yard King 21" Walk-Behind Mower (2004)

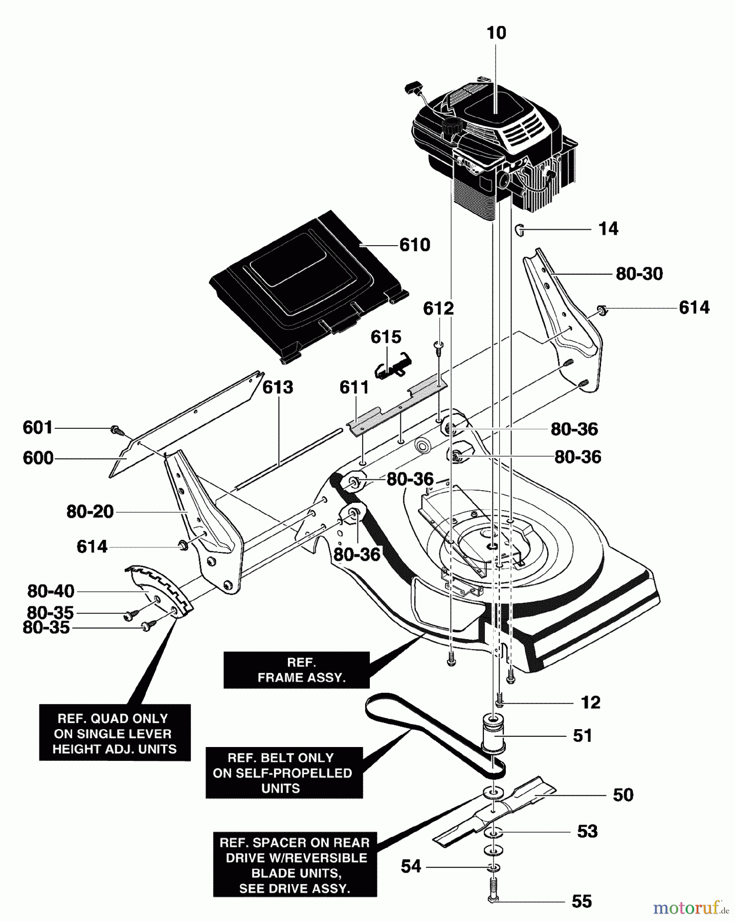
Hier finden Sie die Ersatzteilzeichnung für Murray Rasenmäher 218910x43F - Yard King 21" Walk-Behind Mower (2004) Engine Mount. Wählen Sie das benötigte Ersatzteil aus der Ersatzteilliste Ihres Murray Gerätes aus und bestellen Sie einfach online. Viele Murray Ersatzteile halten wir ständig in unserem Lager für Sie bereit.


Qualitätsmanagement
Informieren Sie uns, wenn Sie einen Fehler gefunden haben.

