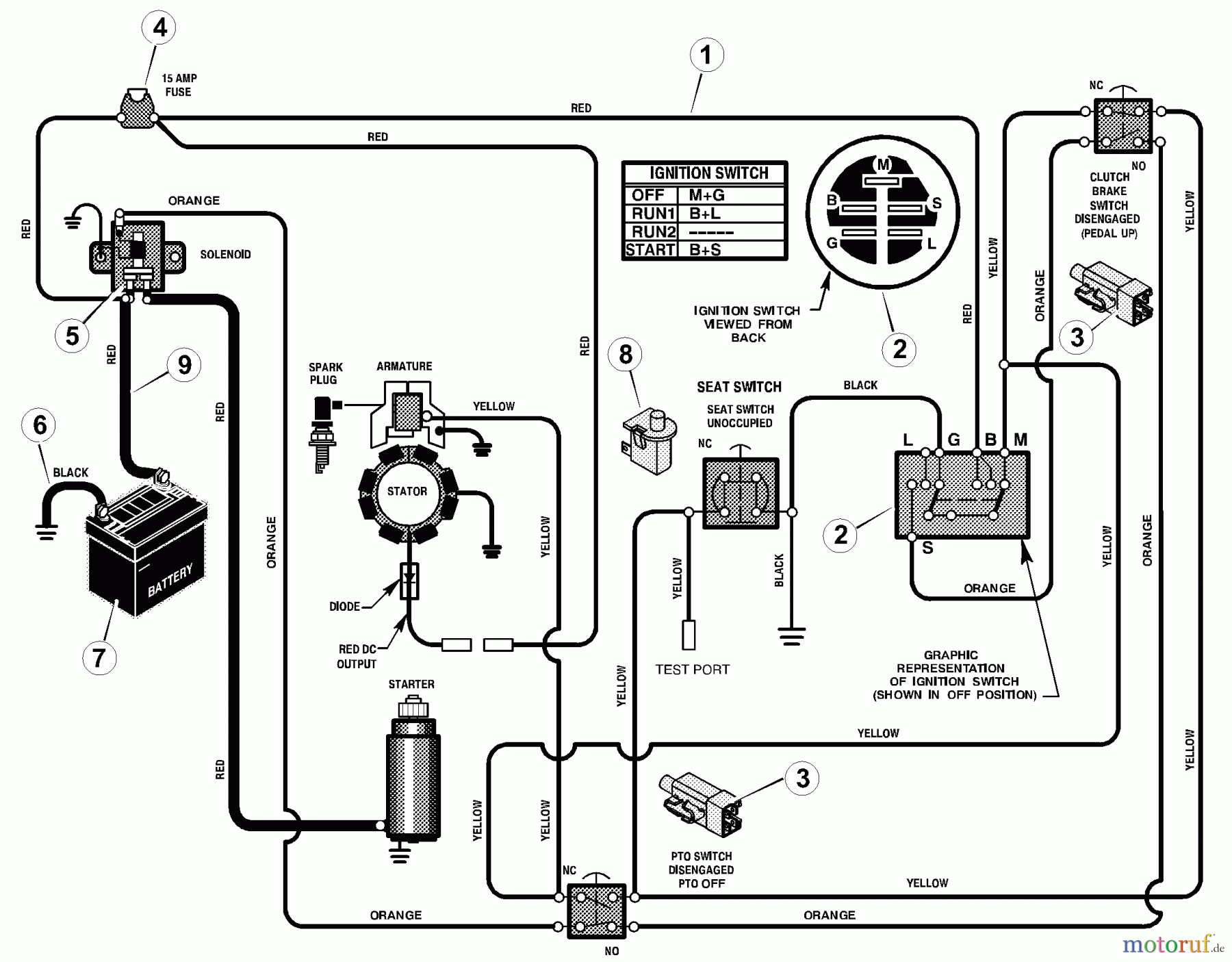
Murray 309306x89A - Yard King Performance 30" Mid-Engine Riders (2001) Electrical System Ersatzteile
Electrical System 309306x89A - Yard King Performance 30" Mid-Engine Riders (2001)

Hier finden Sie die Ersatzteilzeichnung für Murray Reitermäher 309306x89A - Yard King Performance 30" Mid-Engine Riders (2001) Electrical System. Wählen Sie das benötigte Ersatzteil aus der Ersatzteilliste Ihres Murray Gerätes aus und bestellen Sie einfach online. Viele Murray Ersatzteile halten wir ständig in unserem Lager für Sie bereit.


Qualitätsmanagement
Informieren Sie uns, wenn Sie einen Fehler gefunden haben.

