Murray 309029x92NA - B&S/ 30" Rear Engine Rider (2003) (Walmart) Electrical System Ersatzteile
Electrical System 309029x92NA - B&S/Murray 30" Rear Engine Rider (2003) (Walmart)

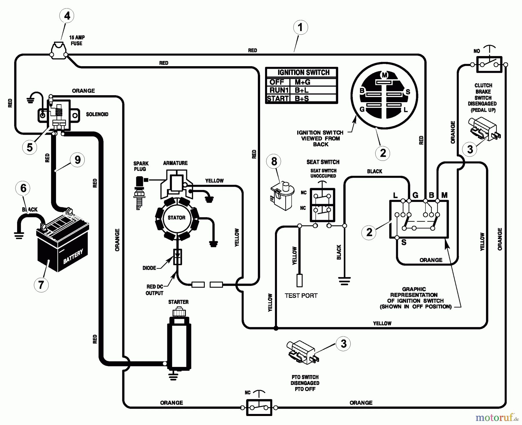
Hier finden Sie die Ersatzteilzeichnung für Murray Reitermäher 309029x92NA - B&S/Murray 30" Rear Engine Rider (2003) (Walmart) Electrical System. Wählen Sie das benötigte Ersatzteil aus der Ersatzteilliste Ihres Murray Gerätes aus und bestellen Sie einfach online. Viele Murray Ersatzteile halten wir ständig in unserem Lager für Sie bereit.


Qualitätsmanagement
Informieren Sie uns, wenn Sie einen Fehler gefunden haben.

