Murray 309008x99A - B&S/ 30" Mid-Engine Rider (2005) (AAFES) Motion Drive Ersatzteile
Motion Drive 309008x99A - B&S/Murray 30" Mid-Engine Rider (2005) (AAFES)

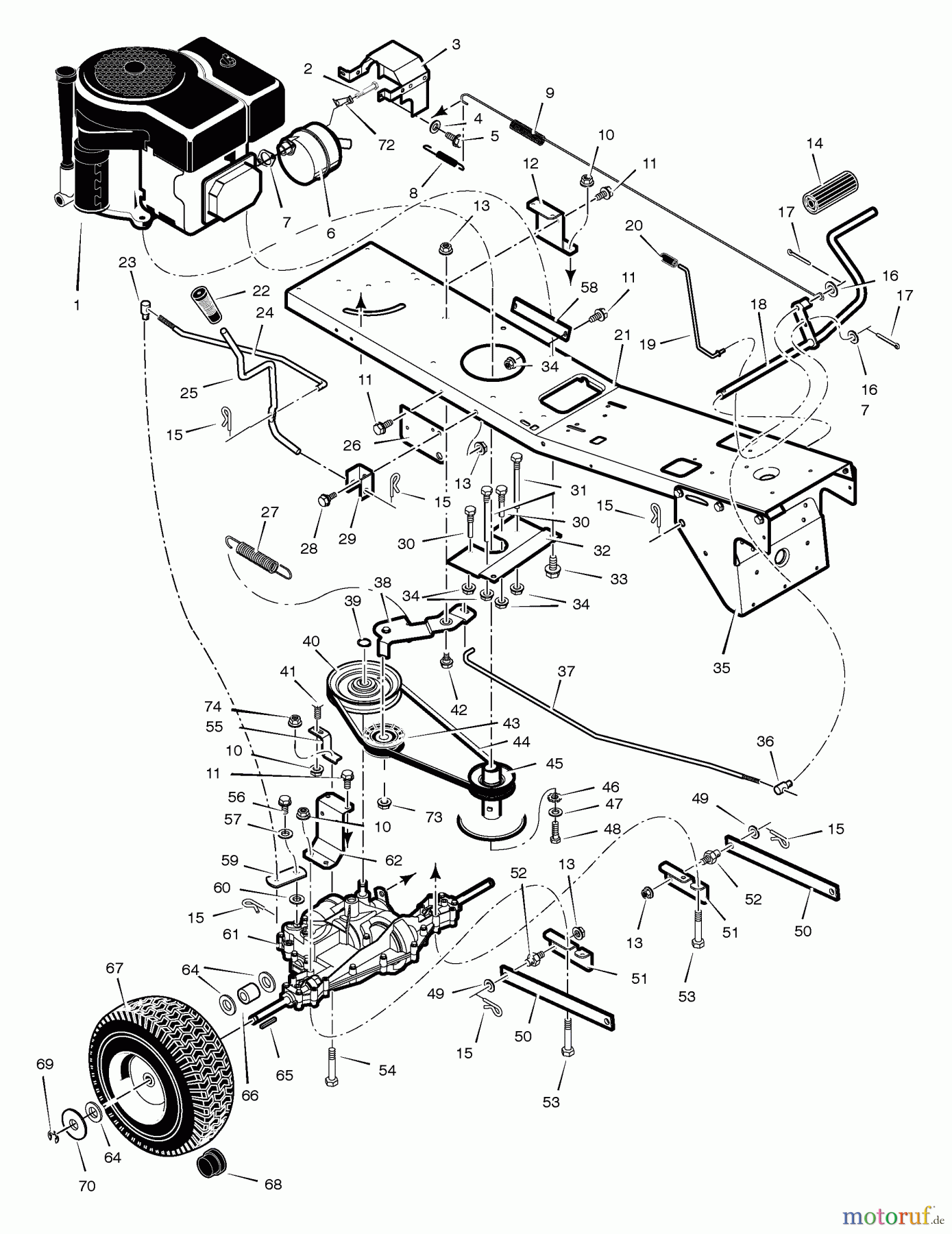
Hier finden Sie die Ersatzteilzeichnung für Murray Reitermäher 309008x99A - B&S/Murray 30" Mid-Engine Rider (2005) (AAFES) Motion Drive. Wählen Sie das benötigte Ersatzteil aus der Ersatzteilliste Ihres Murray Gerätes aus und bestellen Sie einfach online. Viele Murray Ersatzteile halten wir ständig in unserem Lager für Sie bereit.


Qualitätsmanagement
Informieren Sie uns, wenn Sie einen Fehler gefunden haben.



