Murray 30545x92A - B&S/ 30" Rear Engine Rider (1997) (Walmart) Body Chassis Ersatzteile
Body Chassis 30545x92A - B&S/Murray 30" Rear Engine Rider (1997) (Walmart)

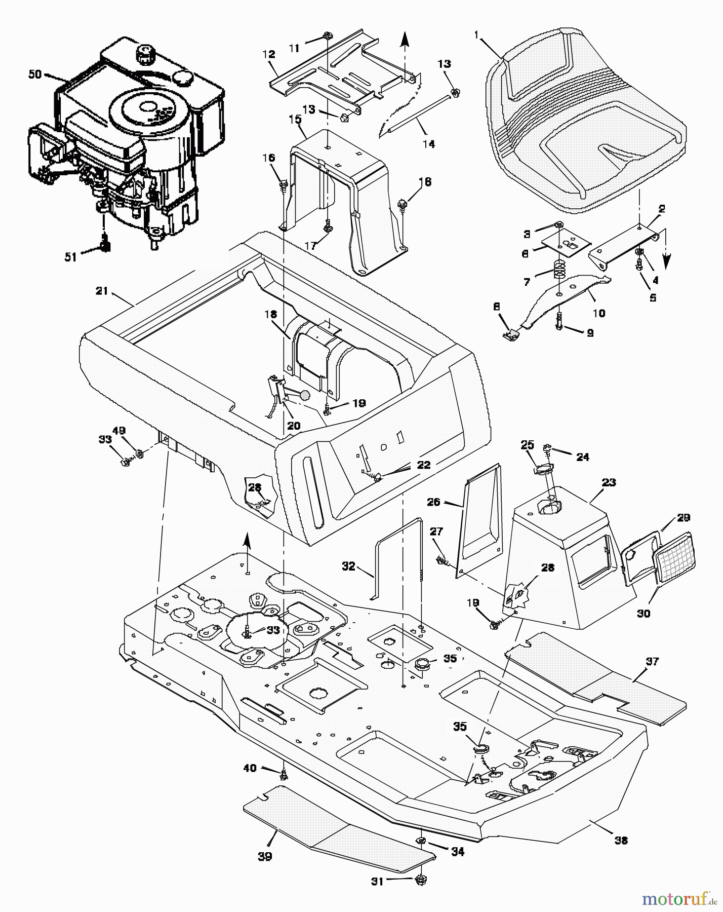
Hier finden Sie die Ersatzteilzeichnung für Murray Reitermäher 30545x92A - B&S/Murray 30" Rear Engine Rider (1997) (Walmart) Body Chassis. Wählen Sie das benötigte Ersatzteil aus der Ersatzteilliste Ihres Murray Gerätes aus und bestellen Sie einfach online. Viele Murray Ersatzteile halten wir ständig in unserem Lager für Sie bereit.




