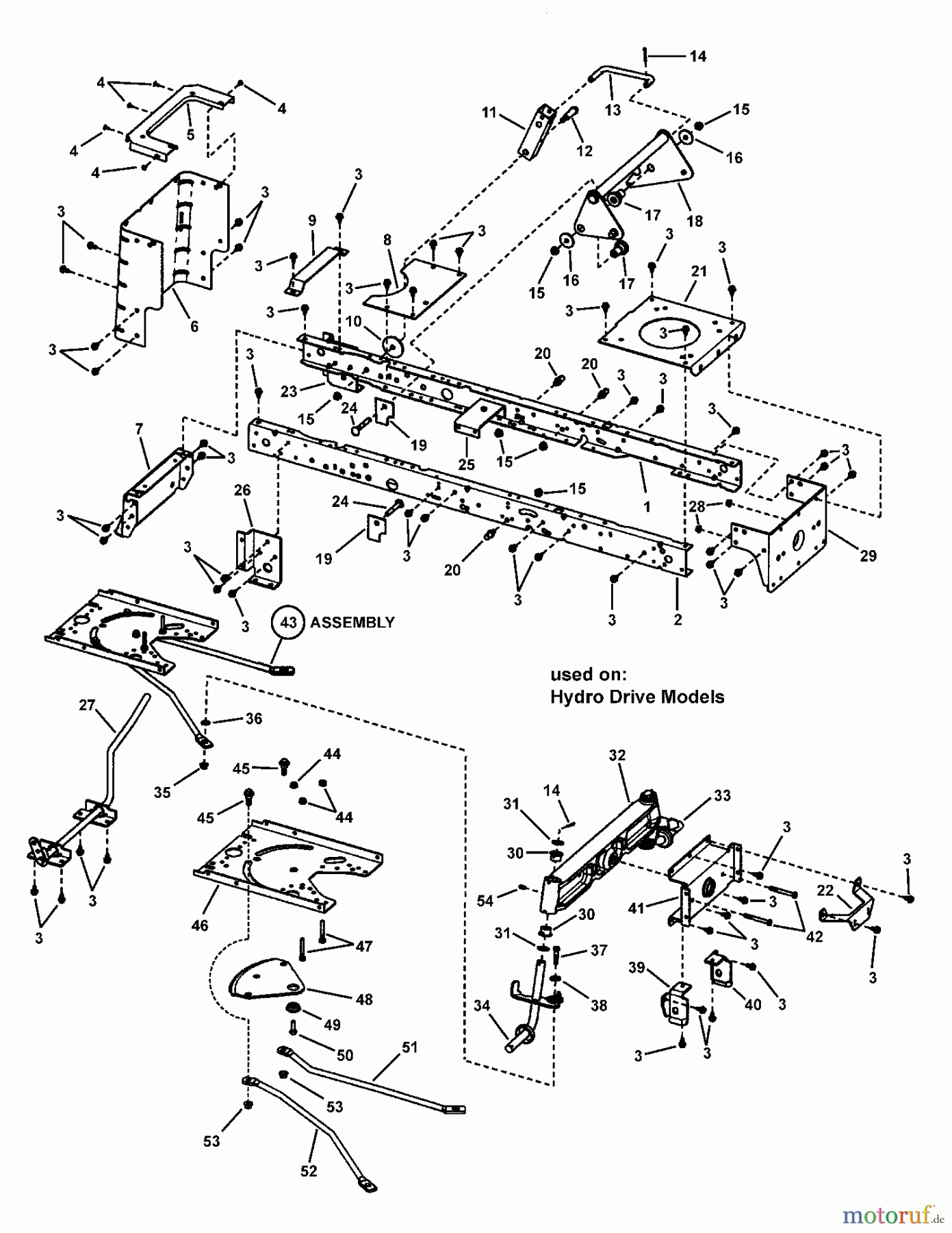
Murray LT20460 (7800192) - 46" Lawn Tractor, 20HP Hydro Drive, Manual PTO (2008) Main Frame Assembly - Hydro Drive Ersatzteile
Main Frame Assembly - Hydro Drive LT20460 (7800192) - Murray 46" Lawn Tractor, 20HP Hydro Drive, Manual PTO (2008)

Hier finden Sie die Ersatzteilzeichnung für Murray Rasen- und Gartentraktoren LT20460 (7800192) - Murray 46" Lawn Tractor, 20HP Hydro Drive, Manual PTO (2008) Main Frame Assembly - Hydro Drive. Wählen Sie das benötigte Ersatzteil aus der Ersatzteilliste Ihres Murray Gerätes aus und bestellen Sie einfach online. Viele Murray Ersatzteile halten wir ständig in unserem Lager für Sie bereit.


Qualitätsmanagement
Informieren Sie uns, wenn Sie einen Fehler gefunden haben.


