Murray LT135420C (7800361) - 42" Lawn Tractor, 13.5HP (2008) Fuel Tank Group Ersatzteile
Fuel Tank Group LT135420C (7800361) - Murray 42" Lawn Tractor, 13.5HP (2008)

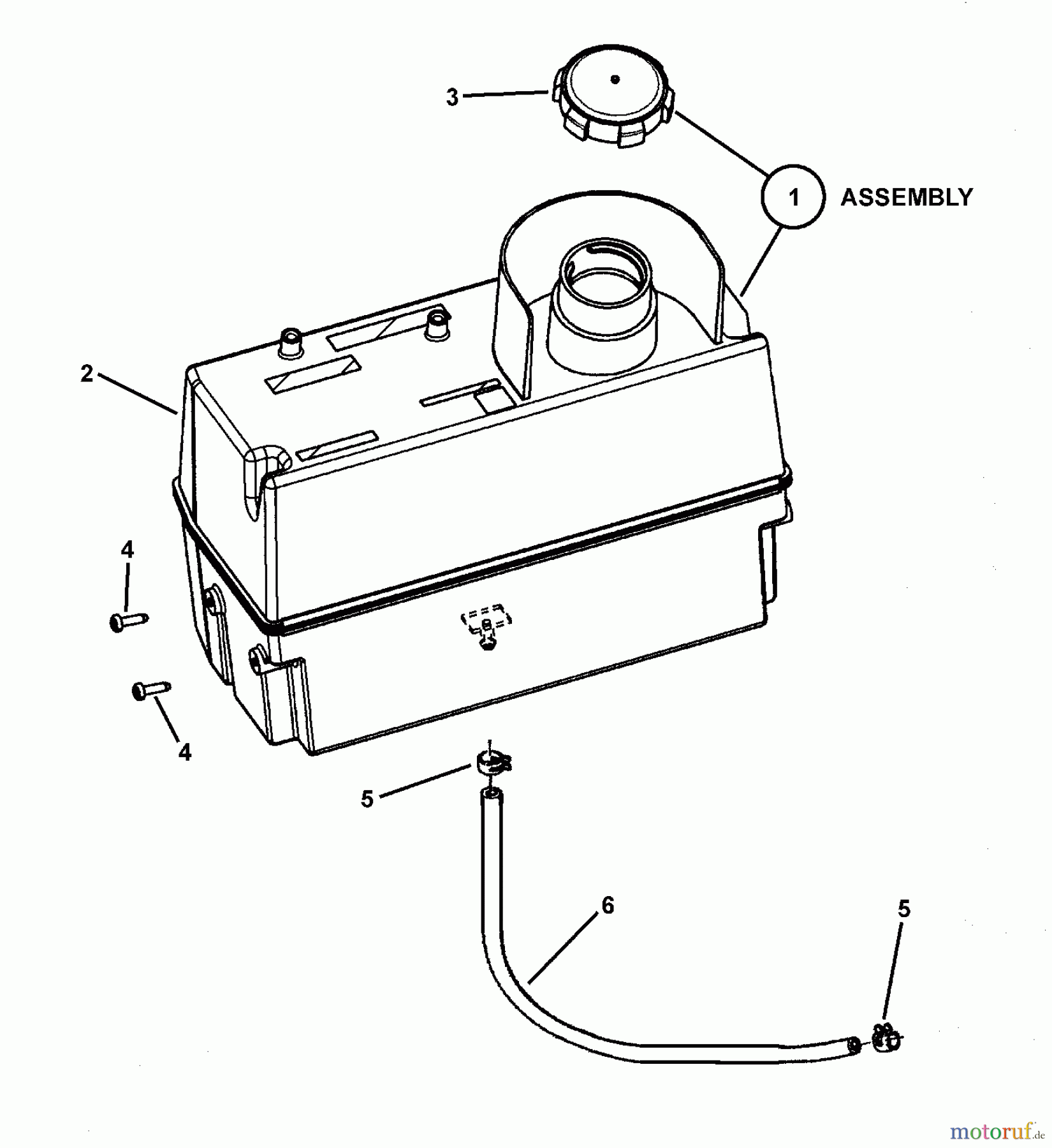
Hier finden Sie die Ersatzteilzeichnung für Murray Rasen- und Gartentraktoren LT135420C (7800361) - Murray 42" Lawn Tractor, 13.5HP (2008) Fuel Tank Group. Wählen Sie das benötigte Ersatzteil aus der Ersatzteilliste Ihres Murray Gerätes aus und bestellen Sie einfach online. Viele Murray Ersatzteile halten wir ständig in unserem Lager für Sie bereit.
| BildNr | Artikel Nummer | Bezeichnung | |
| 1 | BS7101365YP | KRAFTSTOFFTANK W/CAP | |
| 2 | BS7601093MA | FUEL KIT 2.8 | |
| 3 | BS092317MA | BENZINDECKEL | |
| 4 | BS26X253MA | SCREW-THREAD FORMING | |
| 5 | BS095197MA | SCHLAUCHSCHELLE - GELB | |
| 6 | BS1734981SM | HOSE, FUEL .25X.50X17 | |


Qualitätsmanagement
Informieren Sie uns, wenn Sie einen Fehler gefunden haben.

