Murray G4315110 - 43" Lawn Tractor (1997) Schematic Drawing Ersatzteile
Schematic Drawing G4315110 - Murray 43" Lawn Tractor (1997)

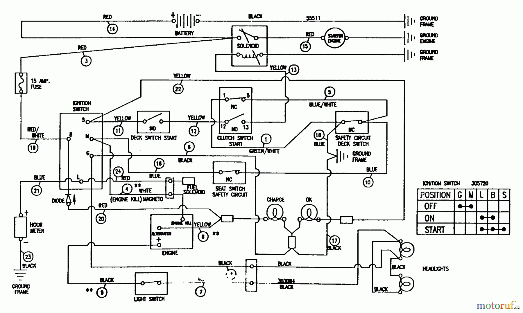
Hier finden Sie die Ersatzteilzeichnung für Murray Rasen- und Gartentraktoren G4315110 - Murray 43" Lawn Tractor (1997) Schematic Drawing. Wählen Sie das benötigte Ersatzteil aus der Ersatzteilliste Ihres Murray Gerätes aus und bestellen Sie einfach online. Viele Murray Ersatzteile halten wir ständig in unserem Lager für Sie bereit.


Qualitätsmanagement
Informieren Sie uns, wenn Sie einen Fehler gefunden haben.

