Murray G4315010 - 43" Lawn Tractor (1997) Mower Suspension Assembly Ersatzteile
Mower Suspension Assembly G4315010 - Murray 43" Lawn Tractor (1997)

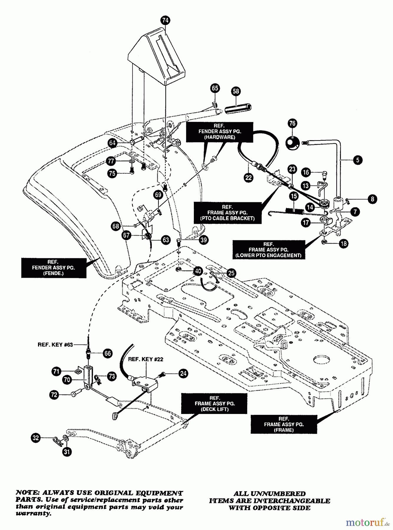
Hier finden Sie die Ersatzteilzeichnung für Murray Rasen- und Gartentraktoren G4315010 - Murray 43" Lawn Tractor (1997) Mower Suspension Assembly. Wählen Sie das benötigte Ersatzteil aus der Ersatzteilliste Ihres Murray Gerätes aus und bestellen Sie einfach online. Viele Murray Ersatzteile halten wir ständig in unserem Lager für Sie bereit.



