Murray 525607x692B - Stanley 52" Lawn Tractor (2002) Hood & Grill Ersatzteile
Hood & Grill 525607x692B - Stanley 52" Lawn Tractor (2002)

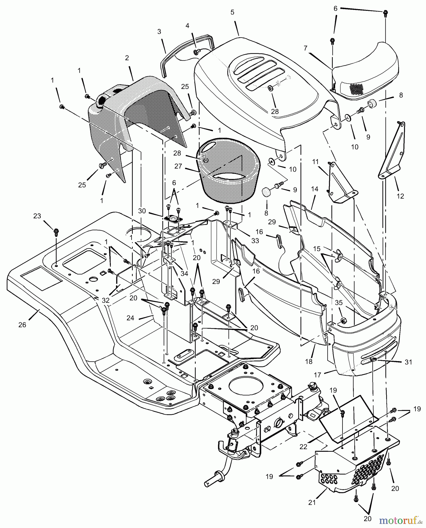
Hier finden Sie die Ersatzteilzeichnung für Murray Rasen- und Gartentraktoren 525607x692B - Stanley 52" Lawn Tractor (2002) Hood & Grill. Wählen Sie das benötigte Ersatzteil aus der Ersatzteilliste Ihres Murray Gerätes aus und bestellen Sie einfach online. Viele Murray Ersatzteile halten wir ständig in unserem Lager für Sie bereit.



