Murray 52101x92A - B&S/ 52" Garden Tractor (2000) (Walmart) Motion Drive Ersatzteile
Motion Drive 52101x92A - B&S/Murray 52" Garden Tractor (2000) (Walmart)

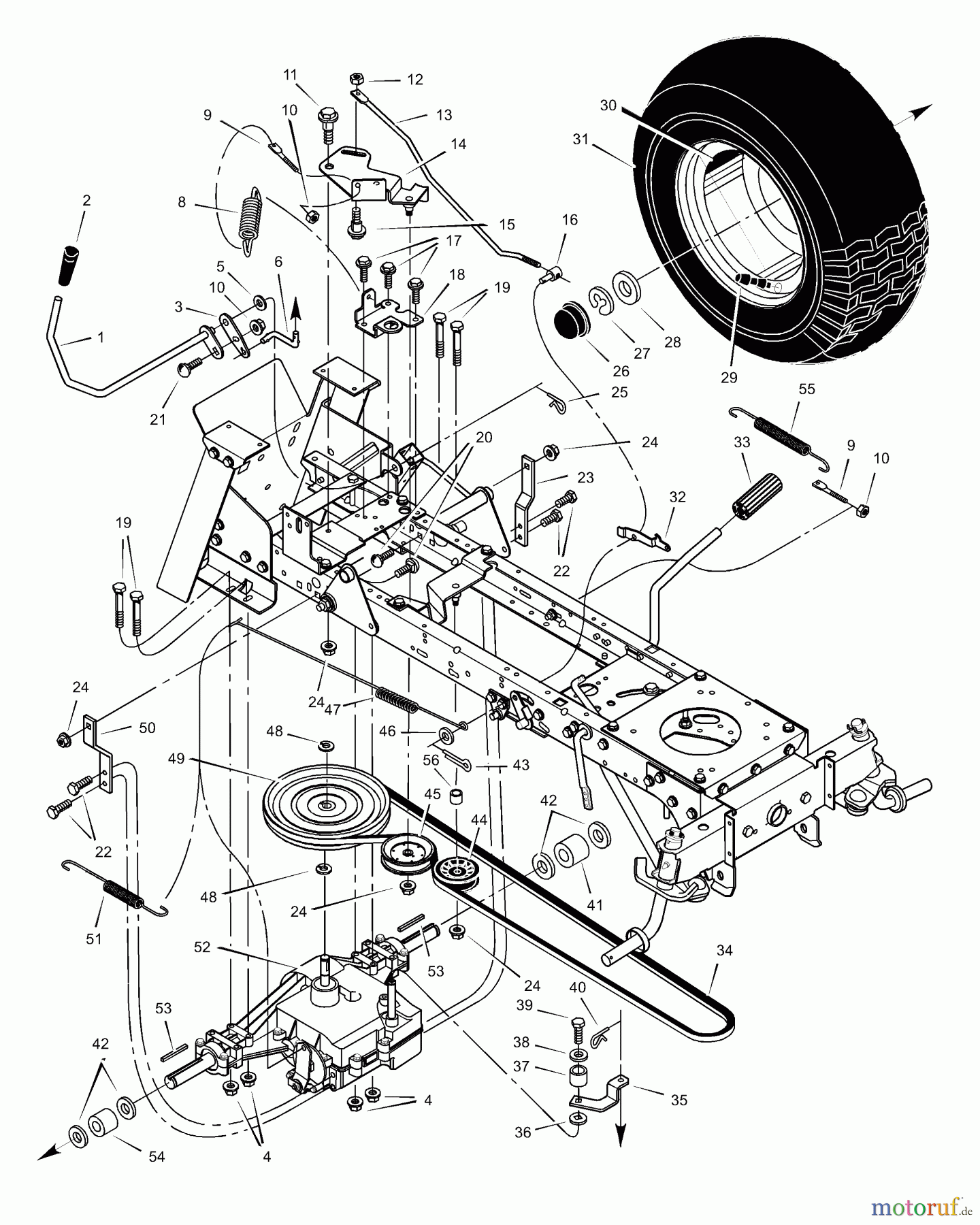
Hier finden Sie die Ersatzteilzeichnung für Murray Rasen- und Gartentraktoren 52101x92A - B&S/Murray 52" Garden Tractor (2000) (Walmart) Motion Drive. Wählen Sie das benötigte Ersatzteil aus der Ersatzteilliste Ihres Murray Gerätes aus und bestellen Sie einfach online. Viele Murray Ersatzteile halten wir ständig in unserem Lager für Sie bereit.


Qualitätsmanagement
Informieren Sie uns, wenn Sie einen Fehler gefunden haben.





