Murray 48560x192A - B&S/ 48" Lawn Tractor (1997) (Walmart) Steering Ersatzteile
Steering 48560x192A - B&S/Murray 48" Lawn Tractor (1997) (Walmart)

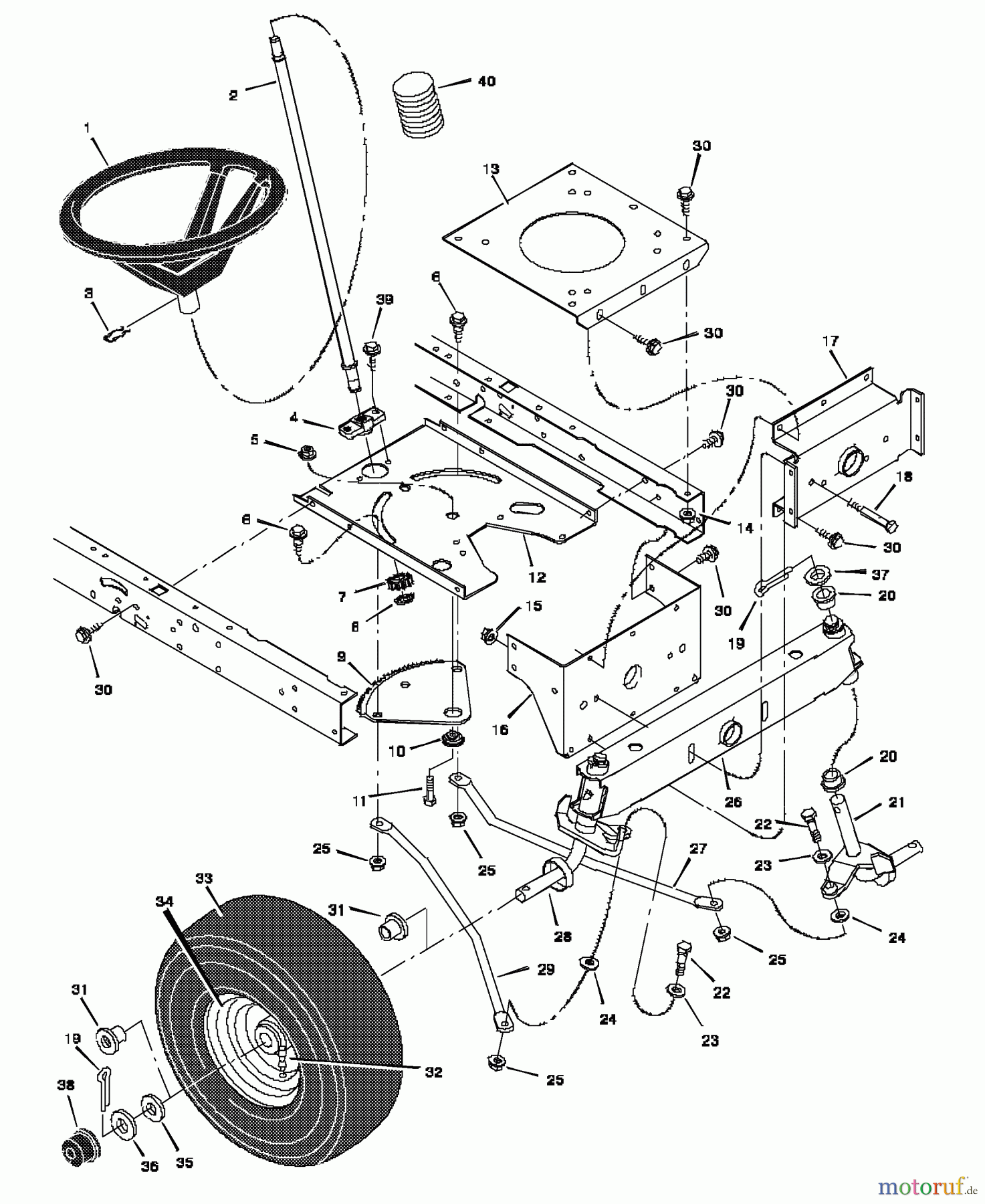
Hier finden Sie die Ersatzteilzeichnung für Murray Rasen- und Gartentraktoren 48560x192A - B&S/Murray 48" Lawn Tractor (1997) (Walmart) Steering. Wählen Sie das benötigte Ersatzteil aus der Ersatzteilliste Ihres Murray Gerätes aus und bestellen Sie einfach online. Viele Murray Ersatzteile halten wir ständig in unserem Lager für Sie bereit.


Qualitätsmanagement
Informieren Sie uns, wenn Sie einen Fehler gefunden haben.




