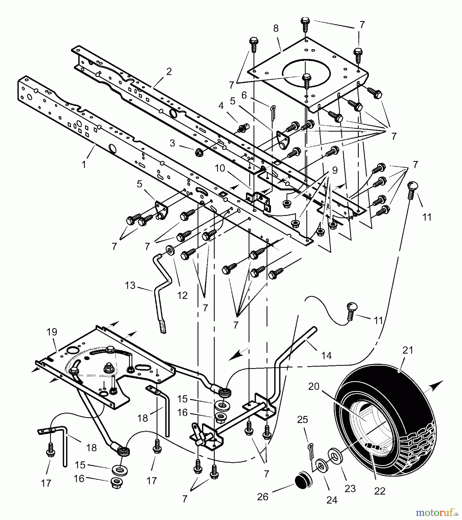
Murray 46103x92A - B&S/ 46" Garden Tractor (1999) (Walmart) Front Frame Assembly Ersatzteile
Front Frame Assembly 46103x92A - B&S/Murray 46" Garden Tractor (1999) (Walmart)

Hier finden Sie die Ersatzteilzeichnung für Murray Rasen- und Gartentraktoren 46103x92A - B&S/Murray 46" Garden Tractor (1999) (Walmart) Front Frame Assembly. Wählen Sie das benötigte Ersatzteil aus der Ersatzteilliste Ihres Murray Gerätes aus und bestellen Sie einfach online. Viele Murray Ersatzteile halten wir ständig in unserem Lager für Sie bereit.


Qualitätsmanagement
Informieren Sie uns, wenn Sie einen Fehler gefunden haben.



