Einstellungen Computer

Murray 40507x8A - Scotts 40" Lawn Tractor (2000) (Home Depot) Steering Ersatzteile

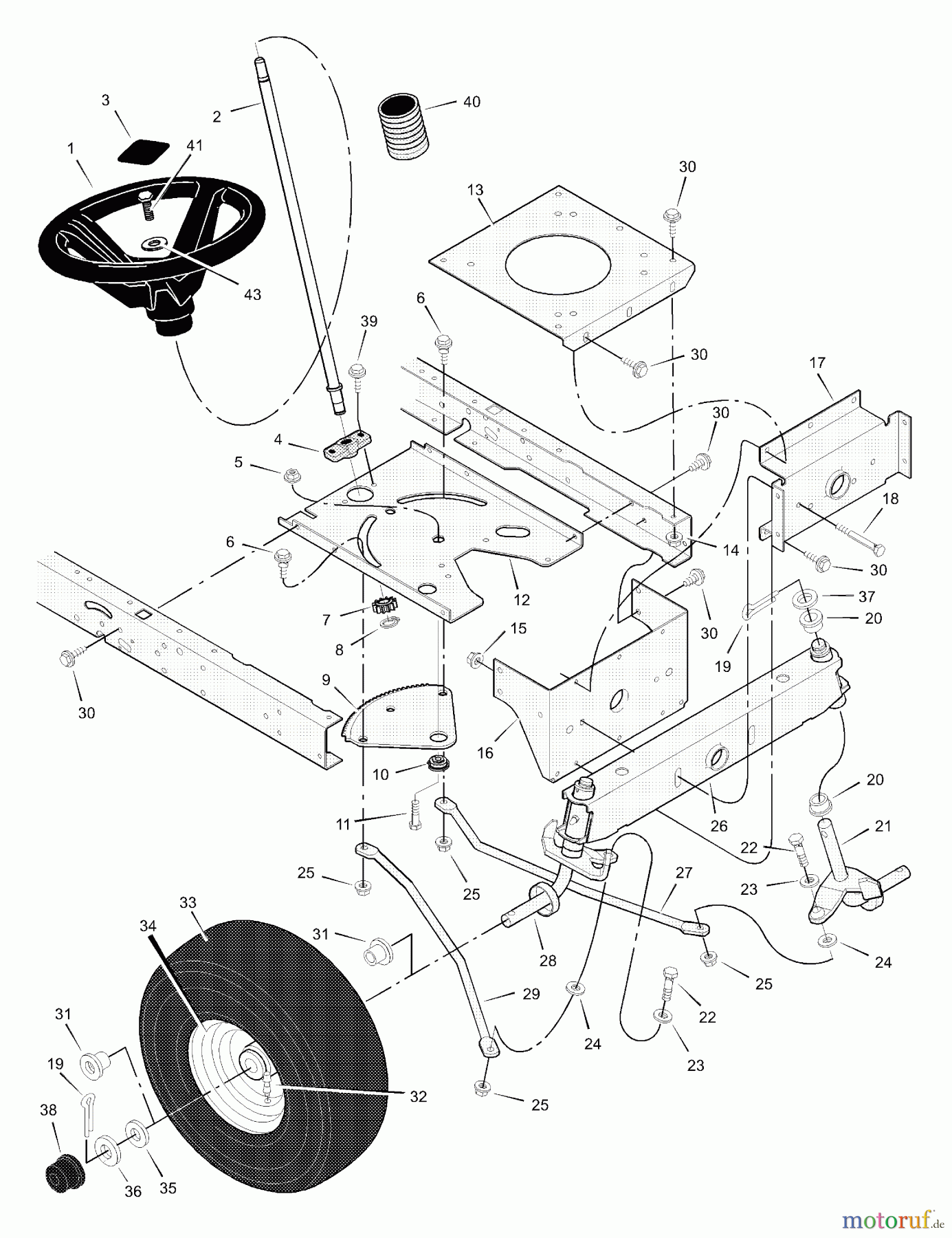
Steering 40507x8A - Scotts 40" Lawn Tractor (2000) (Home Depot)

 Murray Rasen- und Gartentraktoren 40507x8A - Scotts 40

Hier finden Sie die Ersatzteilzeichnung für Murray Rasen- und Gartentraktoren 40507x8A - Scotts 40" Lawn Tractor (2000) (Home Depot) Steering. Wählen Sie das benötigte Ersatzteil aus der Ersatzteilliste Ihres Murray Gerätes aus und bestellen Sie einfach online. Viele Murray Ersatzteile halten wir ständig in unserem Lager für Sie bereit.

Rasen
Bankeinzug, MasterCard, Visa, American Express, PayPal, Nachnahme, Vorauskasse, Sofortüberweisung
Datenschutzerklärung Impressum
Qualitätsmanagement
Informieren Sie uns, wenn Sie einen Fehler gefunden haben.