Einstellungen Computer

Murray 405004x99A - B&S/ 40" Lawn Tractor (2005) (AAFES) Chassis & Hood Ersatzteile

Chassis & Hood 405004x99A - B&S/Murray 40" Lawn Tractor (2005) (AAFES)

 Murray Rasen- und Gartentraktoren 405004x99A - B&S/Murray 40

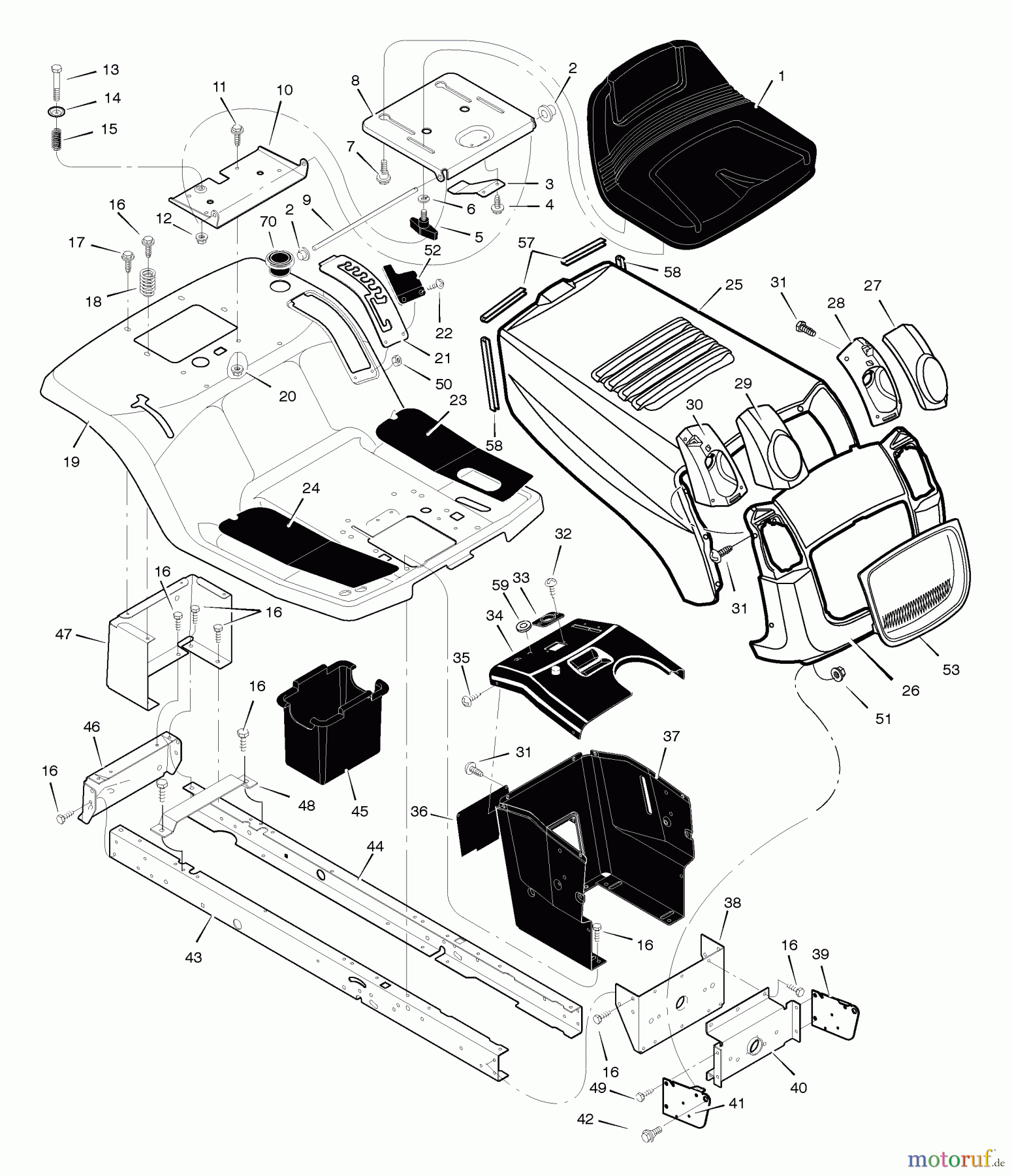
Hier finden Sie die Ersatzteilzeichnung für Murray Rasen- und Gartentraktoren 405004x99A - B&S/Murray 40" Lawn Tractor (2005) (AAFES) Chassis & Hood. Wählen Sie das benötigte Ersatzteil aus der Ersatzteilliste Ihres Murray Gerätes aus und bestellen Sie einfach online. Viele Murray Ersatzteile halten wir ständig in unserem Lager für Sie bereit.

BildNrArtikel NummerBezeichnung
1 BS690566MASEAT MID-BACK BLACK
2 BS028X23MAPUSH CAP.375
3 BS094057MABLATTFEDER
4 BS26X229MASCREW 1/4 14X.38 STHX
5 BS1001054MABOLT - WING
6 BS017X47MAUNTERLEGSCHEIBE .34 .62
7 BS009X56MAANSATZBOLZEN.32-18X.375D
8 BS094154E701MASUPPORT, SEAT
9 BS094156ZMAROD - PIVOT
10 BS1001648E701MABRACKET - SEAT PIVOT
11 BS001X45MABOLT-HEX.31-18X0.62 Z
12 BS015X89MAMUTTER 25-20FLANSCHARRETIERUNG
13 BS009X55MABOLT-SHD.25-20X.312D
14 BS094155ZMATOPFSCHEIBE
15 BS164X31MADRUCKFEDER
16 BS26X249MASCREW-.312-18X.75
17 BS26X263MASCREW.25-20 S-T
18 BS164X30MADRUCKFEDER
19 BS1001987E245MABODENPLATTE SITZ KLEIN
20 BS15X123MAMUTTER.31-18 NYLOCK ZINK
21 BS094151E701MALIFT - DETENT PLATE
22 BS009X47MABOLT-SHD.
23 BS094999MAMATTE-TRITTBRETT LINKS
24 BS094998MAMATTE-TRITTBRETT RECHTS
25 BS1001538E701MAFORMHAUBE - X3 1001
26 BS1001531E701MAGRILL/GITTER - X1
27 BS1001546MAPLASTIKABDECKUNG-X1-LINKS
28 BS1001544MASCHEINWERFER GEHAUSE X1-L.
29 BS1001545MAPLASTIC COVER - X1 -
30 BS1001547MAHEADLAMP ASSY X1 - R.
31 BS26X250MASCREW-TAPPING 10-16
32 BS26X238MASCREW 1/4'' AB X.50
33 BS1001491MASTEUERLAGER
34 BS7300774ZMAINSTRUMENTENTAF.
35 BS26X201MASCREW Z/BL CHROMATE
36 BS093007E701MAPANEL-SIDE ACCESS
37 BS095318E701MAARMATURENSTUTZE
38 BS1001270E701MABRKT - REAR HANGER
39 BS094085E701MASUPPORT, GRILLE LH
40 BS094007E701MAAXLE, HANGER
41 BS094084E701MAGRILL/GITTERSTUTZE RECHTS
42 BS009X58MAANSATZBOLZEN
43 BS1001928E701MALANGSTRAGER RECHTS
44 BS1001927E701MALANGSTRAGER LINKS
45 BS690424MABATTERY CONTAINER
46 BS1001002E701MAPLATE-HITCH
47 BS690434E701MAPANEL - REAR
48 BS690482E701MABRKT BATTERY SUPPORT
49 BS26X277MASCREW-5/16-18X.50
50 BS015X81MANUT#10-24 MCLEANLOCK
51 BS15X124MAMUTTER
52 BS094610MACOVER-LIFT DETENT
53 BS1001540MAGRILLE INSERT-DIA- BL
57 BS1001652MAZIERLEISTE-SCHWARZ - 3.75
58 BS1001653MAZIERLEISTE-SCHWARZ - 6.5
59 BS1001755MADICHTSCHEIBE GROMMET-PARKBREMS
70 BS1001542MAGETRANKEHALTER
-- BS1002007MATEILETASCHE/-BEUTEL ASSY
-- BSF-050718L
Rasen
Bankeinzug, MasterCard, Visa, American Express, PayPal, Nachnahme, Vorauskasse, Sofortüberweisung
Datenschutzerklärung Impressum