Jonsered FR2311 M (966639785, 966639701) - Rear-Engine Riding Mower (2011-02) CHASSIS ENCLOSURES #2 Ersatzteile
CHASSIS ENCLOSURES #2 FR2311 M (966639785, 966639701) - Jonsered Rear-Engine Riding Mower (2011-02)

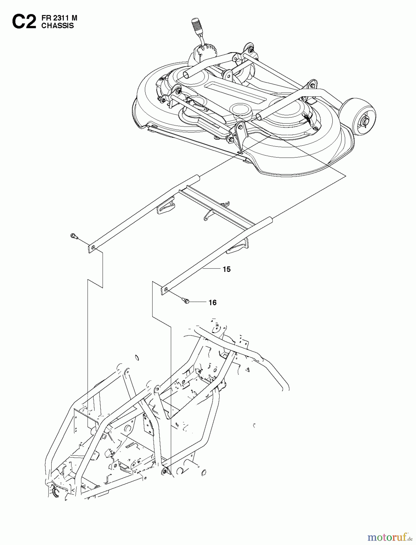
Hier finden Sie die Ersatzteilzeichnung für Jonsered Reitermäher FR2311 M (966639785, 966639701) - Jonsered Rear-Engine Riding Mower (2011-02) CHASSIS ENCLOSURES #2. Wählen Sie das benötigte Ersatzteil aus der Ersatzteilliste Ihres Jonsered Gerätes aus und bestellen Sie einfach online. Viele Jonsered Ersatzteile halten wir ständig in unserem Lager für Sie bereit.
| BildNr | Artikel Nummer | Bezeichnung | |
| 15 | 522 45 15-02 | Geräterahmen | |
| 16 | 506 89 58-01 | SCHRAUBE | |


Qualitätsmanagement
Informieren Sie uns, wenn Sie einen Fehler gefunden haben.

