Jonsered FR2216 MA 4x4 (965190401) - Rear-Engine Riding Mower (2008-01) MOWER DECK / CUTTING DECK Ersatzteile
MOWER DECK / CUTTING DECK FR2216 MA 4x4 (965190401) - Jonsered Rear-Engine Riding Mower (2008-01)

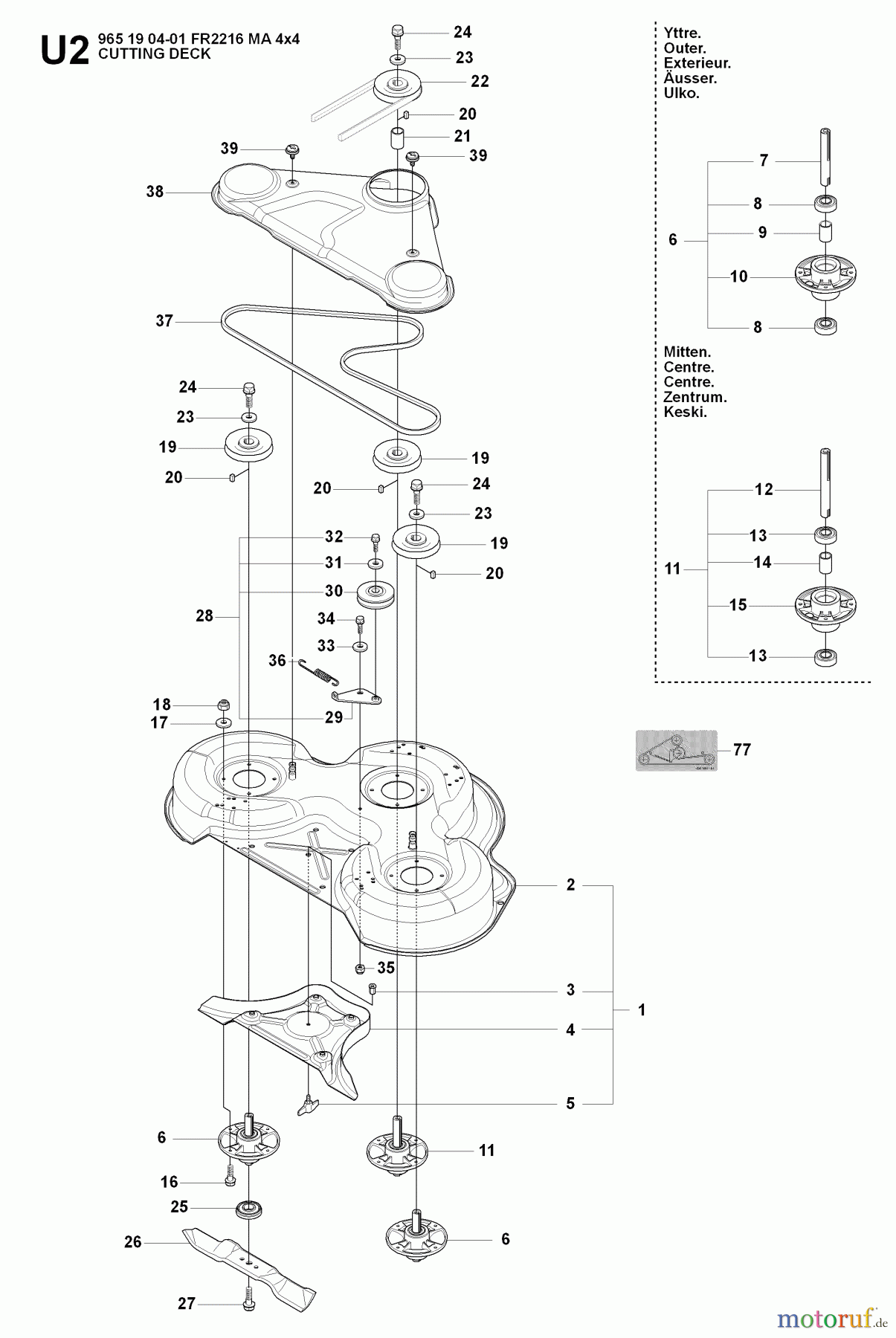
Hier finden Sie die Ersatzteilzeichnung für Jonsered Reitermäher FR2216 MA 4x4 (965190401) - Jonsered Rear-Engine Riding Mower (2008-01) MOWER DECK / CUTTING DECK. Wählen Sie das benötigte Ersatzteil aus der Ersatzteilliste Ihres Jonsered Gerätes aus und bestellen Sie einfach online. Viele Jonsered Ersatzteile halten wir ständig in unserem Lager für Sie bereit.








