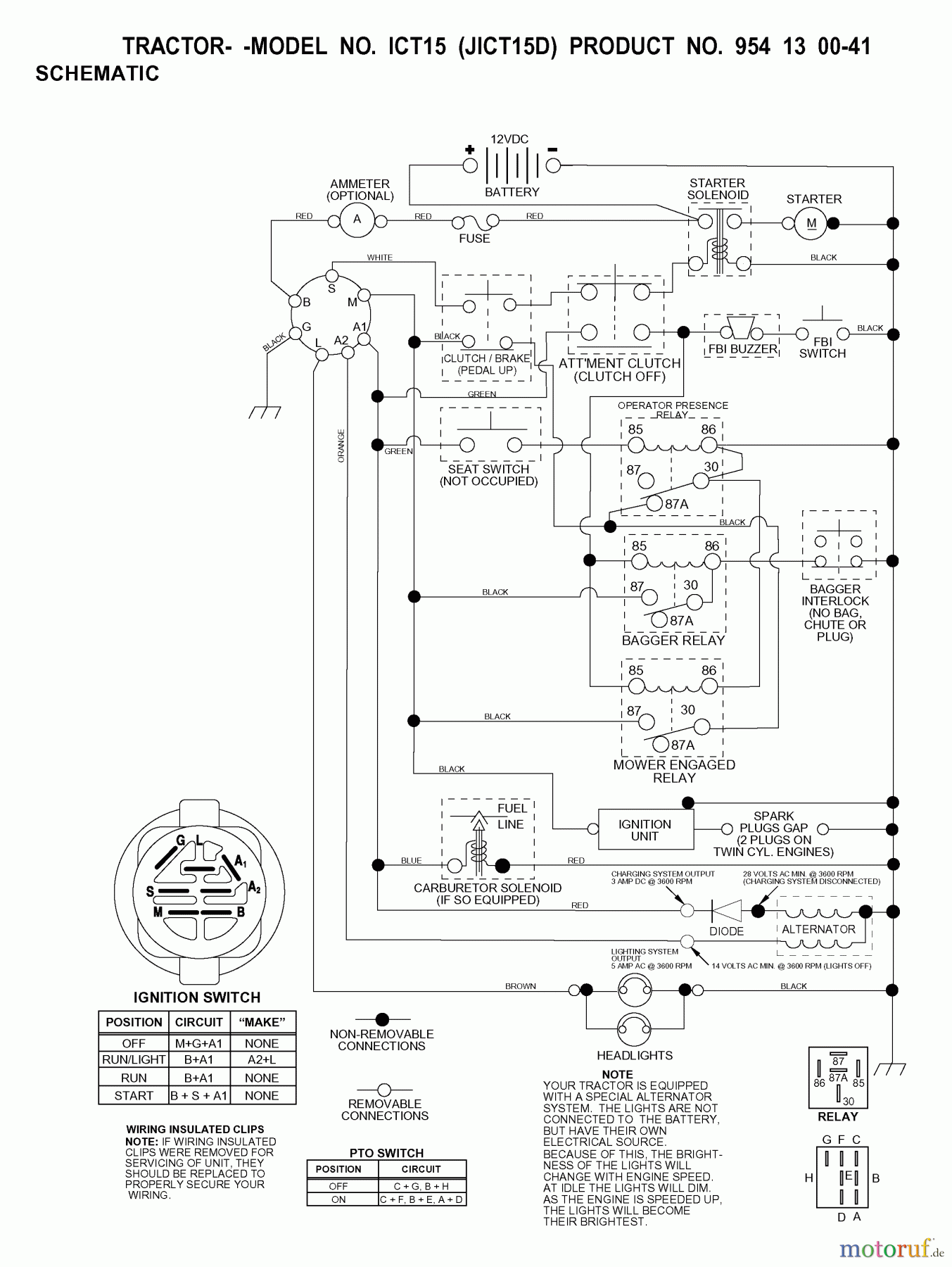
Jonsered ICT15 (JICT15D, 954130041) - Lawn & Garden Tractor (2001-01) SCHEMATIC Ersatzteile
SCHEMATIC ICT15 (JICT15D, 954130041) - Jonsered Lawn & Garden Tractor (2001-01)

Hier finden Sie die Ersatzteilzeichnung für Jonsered Rasen und Garten Traktoren ICT15 (JICT15D, 954130041) - Jonsered Lawn & Garden Tractor (2001-01) SCHEMATIC. Wählen Sie das benötigte Ersatzteil aus der Ersatzteilliste Ihres Jonsered Gerätes aus und bestellen Sie einfach online. Viele Jonsered Ersatzteile halten wir ständig in unserem Lager für Sie bereit.



