Trennschneider, Floor ENGINE PLATE Ersatzteile
ENGINE PLATE FS6600 JD T3, 2009-20

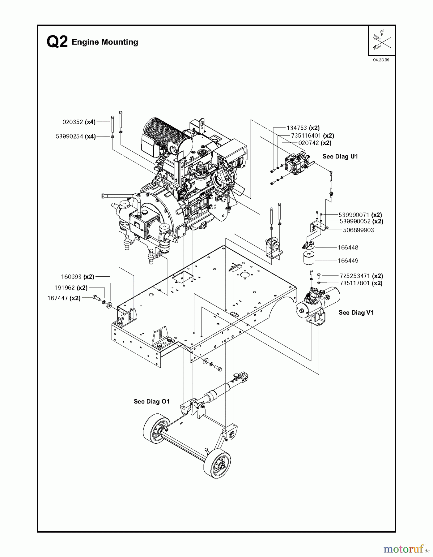
Hier finden Sie die Ersatzteilzeichnung für Trennschneider, Floor FS6600 JD T3, 2009-20 ENGINE PLATE. Wählen Sie das benötigte Ersatzteil aus der Ersatzteilliste Ihres Trennschneider, Floor Gerätes aus und bestellen Sie einfach online. Viele Trennschneider, Floor Ersatzteile halten wir ständig in unserem Lager für Sie bereit.
| BildNr | Artikel Nummer | Bezeichnung | |
| 020352 | 20352 | 20352 | |
| 020742 | 20742 | ||
| 134753 | 134753 | ||
| 160393 | 160393 | ||
| 166448 | 166448 | ||
| 166449 | 166449 | ||
| 167447 | 167447 | ||
| 191962 | 191962 | ||
| 506899903 | 506 89 99-03 | HALTER | |
| 53990254 | 53990254 | ||
| 539990052 | 539 99 00-52 | SCHEIBE | |
| 539990071 | 539 99 00-71 | BOLZEN 1/4-20 X 1/2 HHCS GRD 5 | |
| 725253471 | 725 25 34-71 | SCHRAUBE | |
| 735116401 | 735 11 64-01 | FEDERSCHIEBE | |
| 735117801 | 735 11 78-01 | BEILAGSCHEIBE | |



