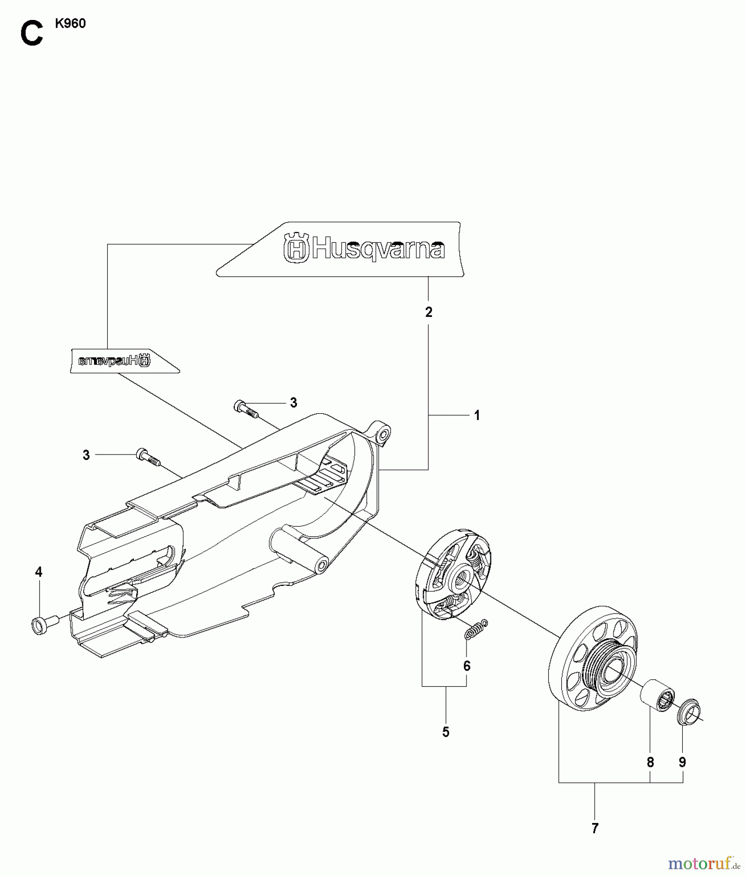
Trennschneider, Cut-Off BELT GUARD Ersatzteile
BELT GUARD K960 RESCUE, 2008-12

Hier finden Sie die Ersatzteilzeichnung für Trennschneider, Cut-Off K960 RESCUE, 2008-12 BELT GUARD. Wählen Sie das benötigte Ersatzteil aus der Ersatzteilliste Ihres Trennschneider, Cut-Off Gerätes aus und bestellen Sie einfach online. Viele Trennschneider, Cut-Off Ersatzteile halten wir ständig in unserem Lager für Sie bereit.




