Einstellungen Computer

Trennschneider, Cut-Off FUEL TANK & HANDLE Ersatzteile

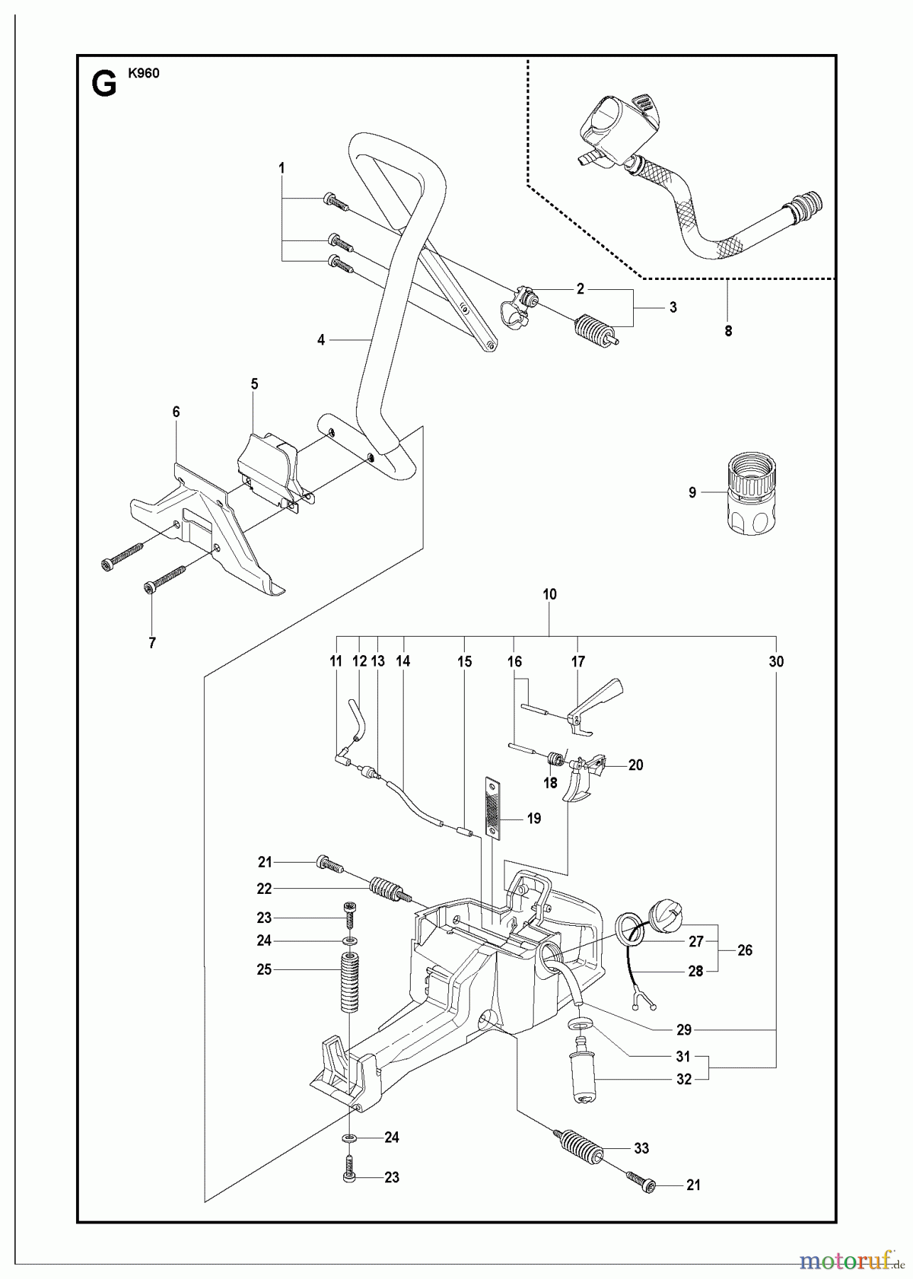
FUEL TANK & HANDLE K960 RESCUE, 2007-07

 Trennschneider, Cut-Off K960 RESCUE, 2007-07 FUEL TANK & HANDLE

Hier finden Sie die Ersatzteilzeichnung für Trennschneider, Cut-Off K960 RESCUE, 2007-07 FUEL TANK & HANDLE. Wählen Sie das benötigte Ersatzteil aus der Ersatzteilliste Ihres Trennschneider, Cut-Off Gerätes aus und bestellen Sie einfach online. Viele Trennschneider, Cut-Off Ersatzteile halten wir ständig in unserem Lager für Sie bereit.

Rasen
Bankeinzug, MasterCard, Visa, American Express, PayPal, Nachnahme, Vorauskasse, Sofortüberweisung
Datenschutzerklärung Impressum
Qualitätsmanagement
Informieren Sie uns, wenn Sie einen Fehler gefunden haben.