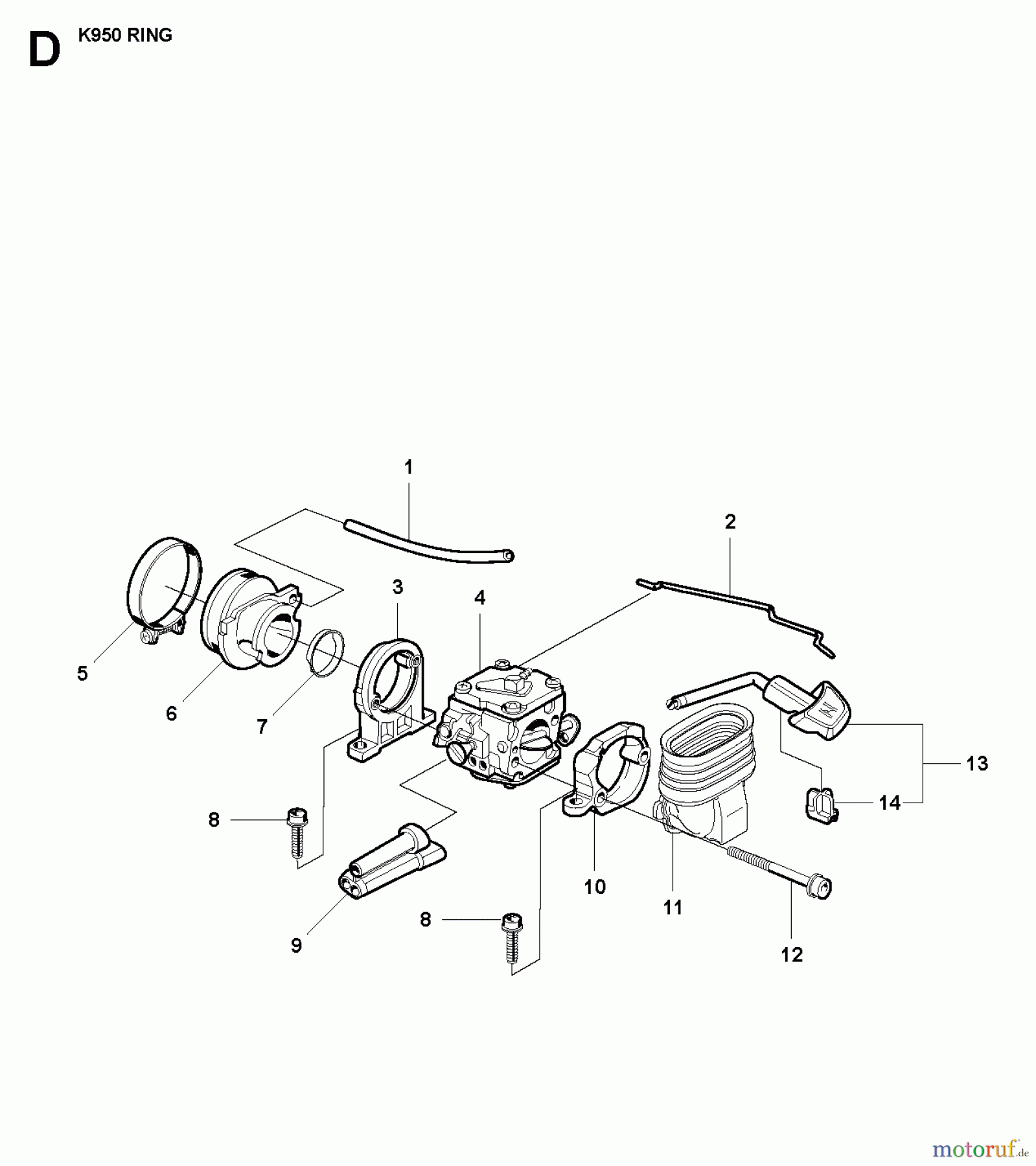
Trennschneider, Cut-Off CARBURETOR Ersatzteile
CARBURETOR K950 Ring, 2007-01

Hier finden Sie die Ersatzteilzeichnung für Trennschneider, Cut-Off K950 Ring, 2007-01 CARBURETOR. Wählen Sie das benötigte Ersatzteil aus der Ersatzteilliste Ihres Trennschneider, Cut-Off Gerätes aus und bestellen Sie einfach online. Viele Trennschneider, Cut-Off Ersatzteile halten wir ständig in unserem Lager für Sie bereit.


Qualitätsmanagement
Informieren Sie uns, wenn Sie einen Fehler gefunden haben.


