Husqvarna 2754GLS (96043004700) - Lawn Tractor (2008-01 & After) Mower Lift Ersatzteile
Mower Lift 2754GLS (96043004700) - Husqvarna Lawn Tractor (2008-01 & After)

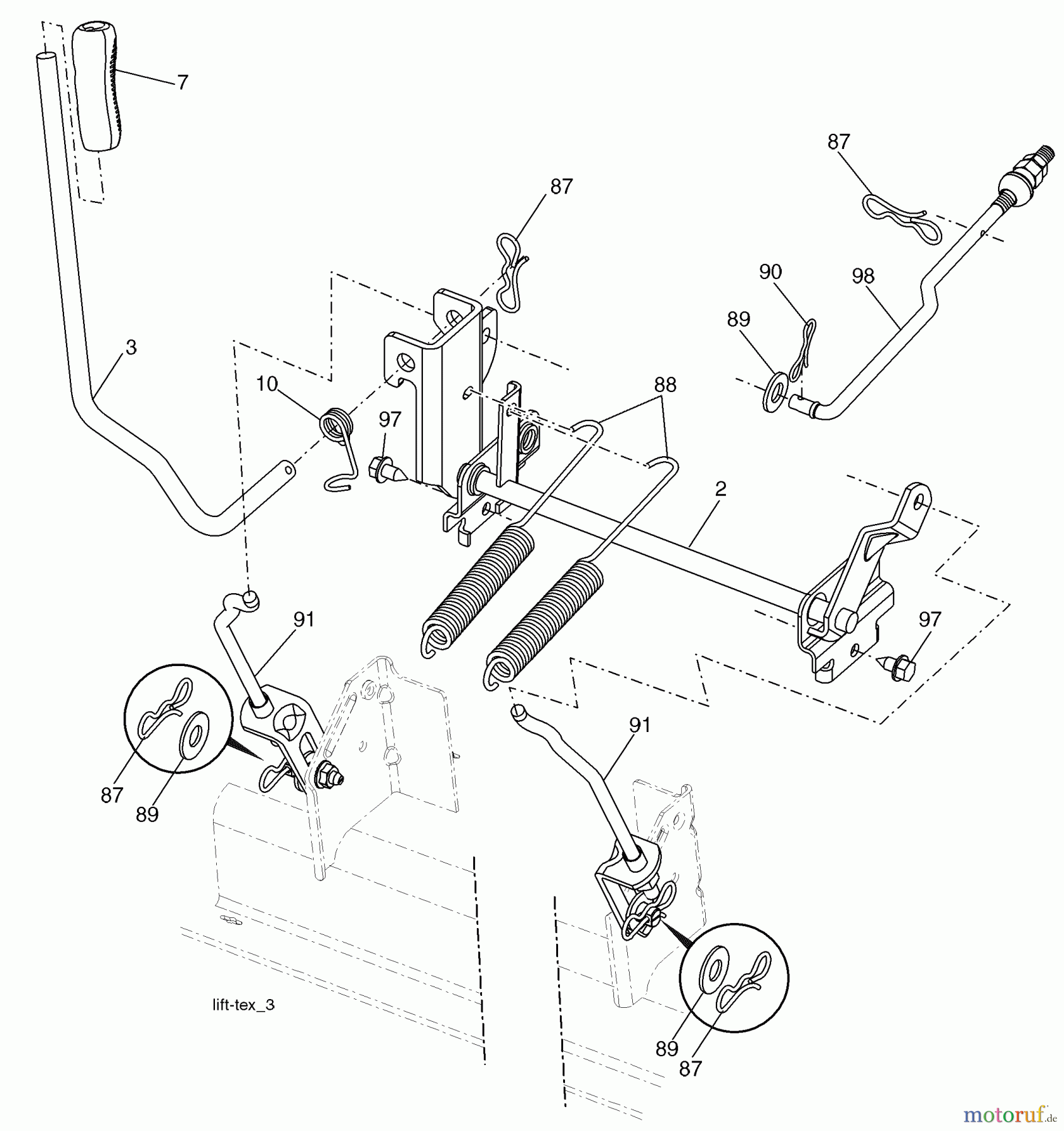
Hier finden Sie die Ersatzteilzeichnung für Husqvarna Rasen und Garten Traktoren 2754GLS (96043004700) - Husqvarna Lawn Tractor (2008-01 & After) Mower Lift. Wählen Sie das benötigte Ersatzteil aus der Ersatzteilliste Ihres Husqvarna Gerätes aus und bestellen Sie einfach online. Viele Husqvarna Ersatzteile halten wir ständig in unserem Lager für Sie bereit.
| BildNr | Artikel Nummer | Bezeichnung | |
| 2 | 532 42 20-27 | ACHSE | |
| 3 | 532 19 52-30 | HEBEL | |
| 7 | 532411555X42 | ||
| 10 | 532 19 63-14 | FEDER | |
| 87 | ![]() | 532 19 42-09 | FEDER |
| 88 | 532 19 53-04 | FEDER | |
| 89 | ![]() | 819 19 19-12 | SCHEIBE |
| 90 | ![]() | 532 19 42-08 | STIFT |
| 91 | 532 40 34-07 | GELENK HINTEN | |
| 97 | 817 00 06-12 | SCHRAUBE | |
| 98 | 532 19 52-64 | GELENK | |






