Husqvarna 2748GLS (96043006500) - Lawn Tractor (2008-12 & After) Schematic Ersatzteile
Schematic 2748GLS (96043006500) - Husqvarna Lawn Tractor (2008-12 & After)

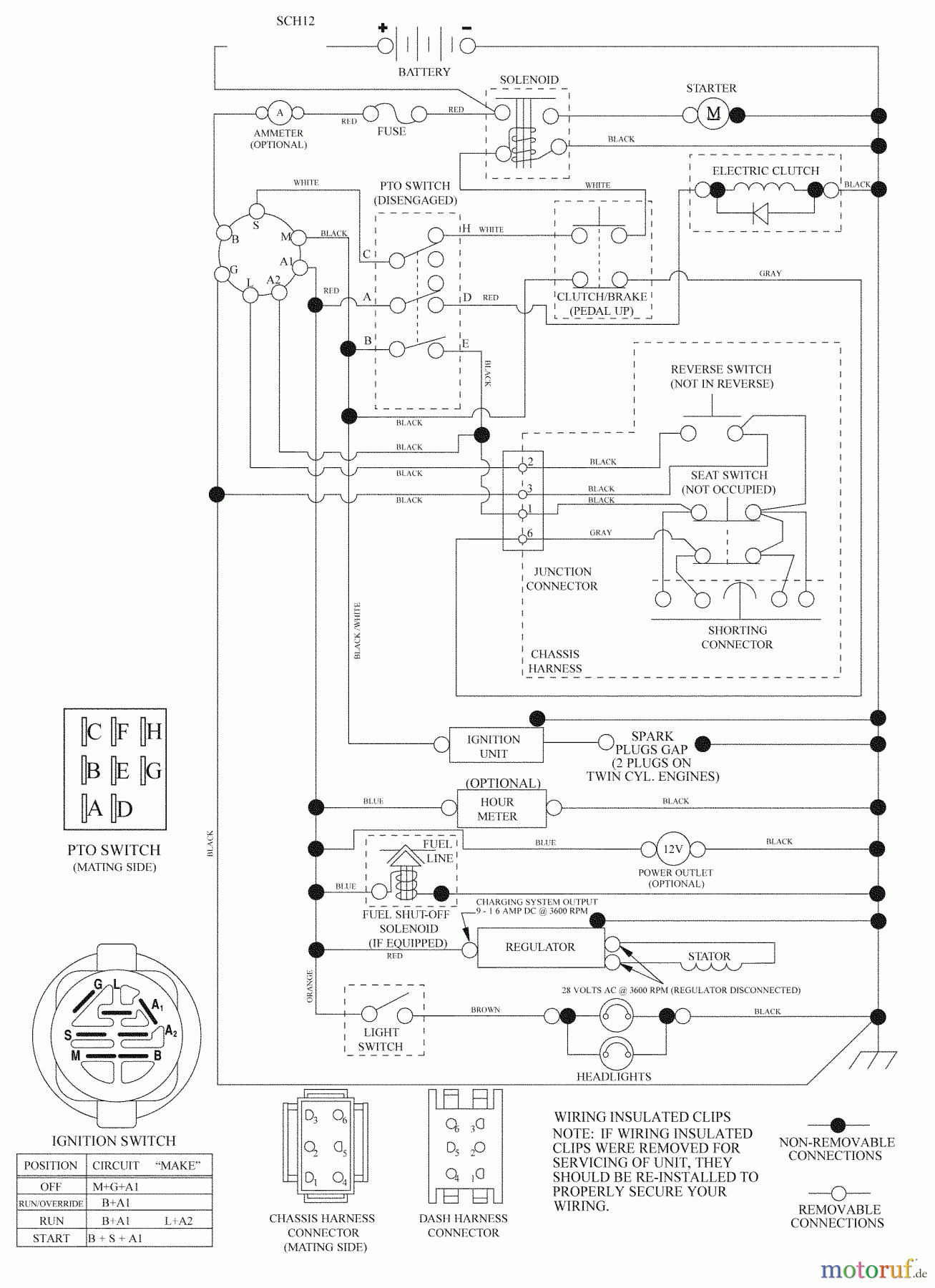
Hier finden Sie die Ersatzteilzeichnung für Husqvarna Rasen und Garten Traktoren 2748GLS (96043006500) - Husqvarna Lawn Tractor (2008-12 & After) Schematic. Wählen Sie das benötigte Ersatzteil aus der Ersatzteilliste Ihres Husqvarna Gerätes aus und bestellen Sie einfach online. Viele Husqvarna Ersatzteile halten wir ständig in unserem Lager für Sie bereit.
| BildNr | Artikel Nummer | Bezeichnung | |
| Briggs and Stratton | |||



