Husqvarna 125 E - Handheld Edger (1993-04 to 2005-08) Fuel Tank Ersatzteile
Fuel Tank 125 E - Husqvarna Handheld Edger (1993-04 to 2005-08)

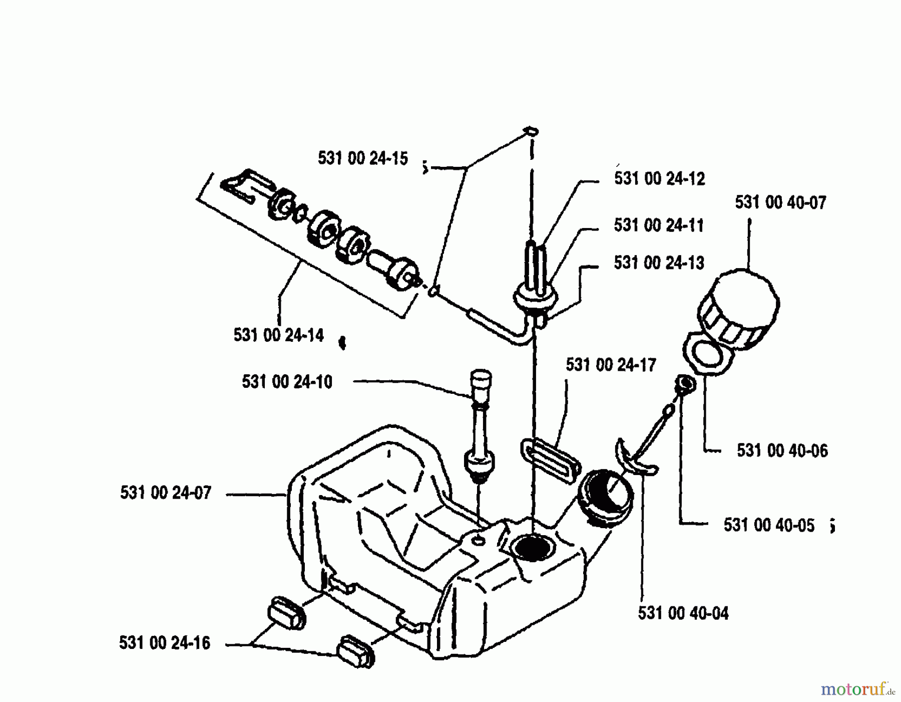
Hier finden Sie die Ersatzteilzeichnung für Husqvarna Kantenschneider 125 E - Husqvarna Handheld Edger (1993-04 to 2005-08) Fuel Tank. Wählen Sie das benötigte Ersatzteil aus der Ersatzteilliste Ihres Husqvarna Gerätes aus und bestellen Sie einfach online. Viele Husqvarna Ersatzteile halten wir ständig in unserem Lager für Sie bereit.
| BildNr | Artikel Nummer | Bezeichnung | |
| 531002415 | ![]() | 531 00 24-15 | KLAMMER |
| 531002414 | ![]() | 503 44 32-01 | FILTER |
| 531002410 | 531 00 24-10 | VENTIL | |
| 531002407 | 531 00 24-07 | TANK | |
| 531002416 | 531 00 24-16 | HUELSE | |
| 531004006 | 531 00 40-06 | DICHTUNG | |
| 531004005 | 531 00 40-05 | BEFESTIGUNG | |
| 531004004 | 531 00 40-04 | HALTER | |
| 531002412 | 531 00 24-12 | SCHLAUCH | |
| 531004007 | 531 00 40-07 | TANKDECKEL | |
| 531002411 | 531 00 24-11 | HÜLSE | |
| 531002413 | 531 00 47-38 | SCHLAUCH | |
| 531002417 | 531 00 24-17 | HUELSE | |


Qualitätsmanagement
Informieren Sie uns, wenn Sie einen Fehler gefunden haben.



