Husqvarna 150 BF - Backpack Blower (2008-10 & After) Ignition / Flywheel Ersatzteile
Ignition / Flywheel 150 BF - Husqvarna Backpack Blower (2008-10 & After)

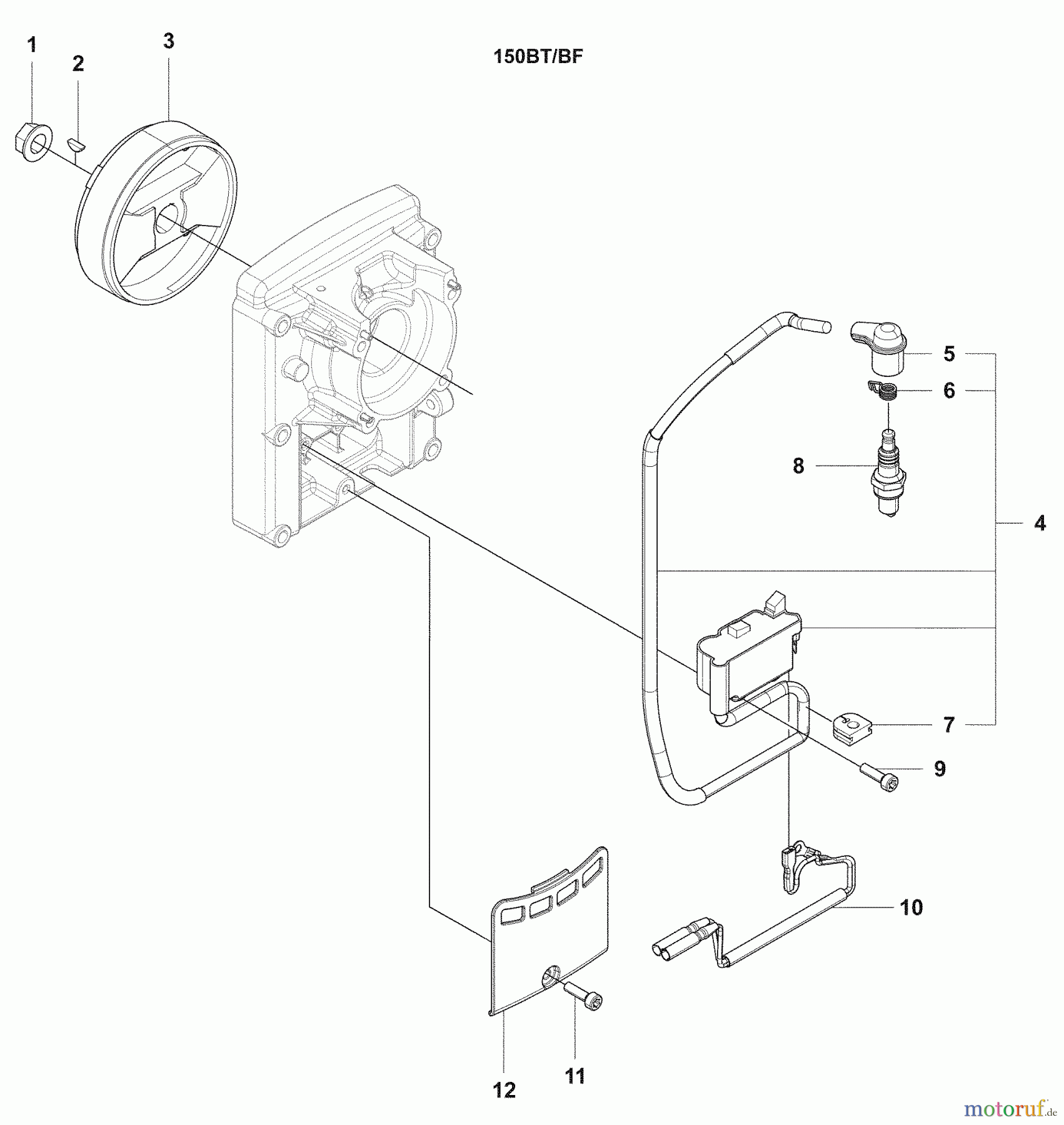
Hier finden Sie die Ersatzteilzeichnung für Husqvarna Bläser / Sauger / Häcksler / Mulchgeräte 150 BF - Husqvarna Backpack Blower (2008-10 & After) Ignition / Flywheel. Wählen Sie das benötigte Ersatzteil aus der Ersatzteilliste Ihres Husqvarna Gerätes aus und bestellen Sie einfach online. Viele Husqvarna Ersatzteile halten wir ständig in unserem Lager für Sie bereit.
| BildNr | Artikel Nummer | Bezeichnung | |
| 1 | 513 24 19-01 | Mutter | |
| 2 | 516 14 78-01 | Taste | |
| 3 | 511493101 | ||
| 4 | 502 84 64-01 | ELEKTRONIKMODUL | |
| 5 | 512 44 40-01 | Hut | |
| 6 | 506 65 52-01 | FEDER | |
| 7 | 544 26 06-01 | DICHTUNG | |
| 8 | 506 61 51-01 | Zündkerze | |
| 9 | 506 74 57-01 | Bolzen | |
| 10 | 512 25 84-01 | CORD-C | |
| 11 | 544 25 90-01 | SCREW | |
| 12 | 544 25 89-01 | DECKEL | |


Qualitätsmanagement
Informieren Sie uns, wenn Sie einen Fehler gefunden haben.

