Echo SRM-311S - String Trimmer, S/N:09001001 - 09999999 Fuel System Ersatzteile
Fuel System SRM-311S - Echo String Trimmer, S/N:09001001 - 09999999

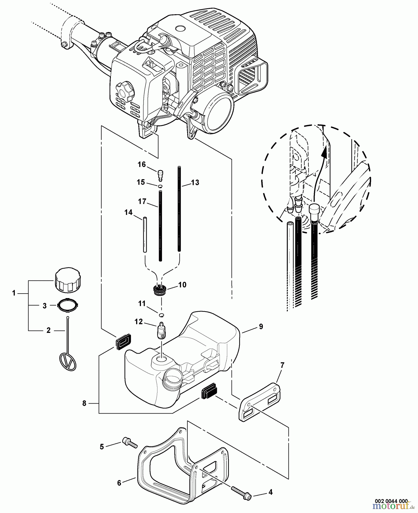
Hier finden Sie die Ersatzteilzeichnung für Echo Trimmer, Faden / Bürste SRM-311S - Echo String Trimmer, S/N:09001001 - 09999999 Fuel System. Wählen Sie das benötigte Ersatzteil aus der Ersatzteilliste Ihres Echo Gerätes aus und bestellen Sie einfach online. Viele Echo Ersatzteile halten wir ständig in unserem Lager für Sie bereit.





