Einstellungen Computer

Echo SRM-3000 - String Trimmer, S/N:037501 - 043225 Driveshaft, Clutch Housing, Throttle, Stop Switch, Handles, Harness Ersatzteile

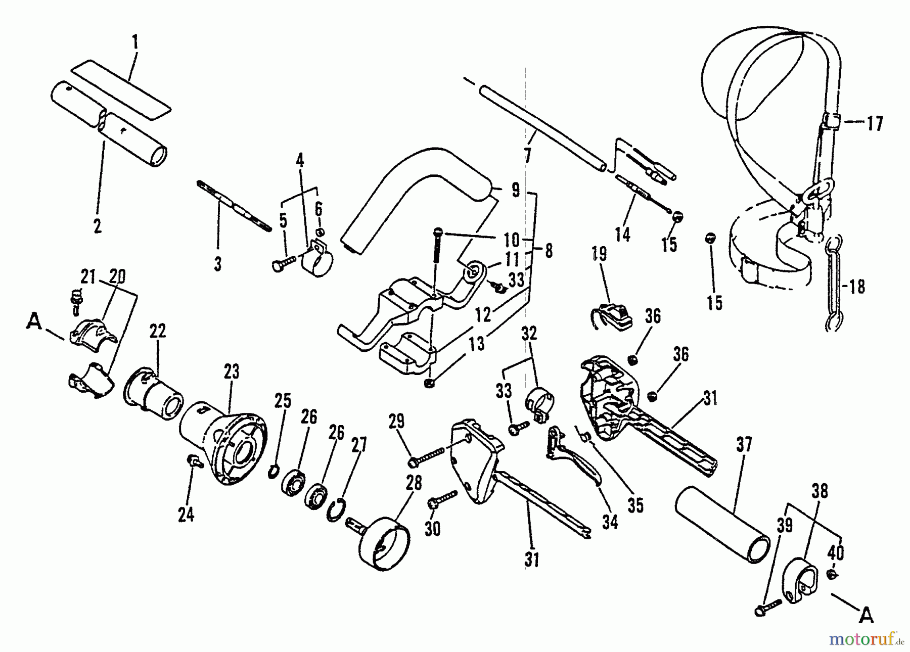
Driveshaft, Clutch Housing, Throttle, Stop Switch, Handles, Harness SRM-3000 - Echo String Trimmer, S/N:037501 - 043225

 Echo Trimmer, Faden / Bürste SRM-3000 - Echo String Trimmer, S/N:037501 - 043225 Driveshaft, Clutch Housing, Throttle, Stop Switch, Handles, Harness

Hier finden Sie die Ersatzteilzeichnung für Echo Trimmer, Faden / Bürste SRM-3000 - Echo String Trimmer, S/N:037501 - 043225 Driveshaft, Clutch Housing, Throttle, Stop Switch, Handles, Harness. Wählen Sie das benötigte Ersatzteil aus der Ersatzteilliste Ihres Echo Gerätes aus und bestellen Sie einfach online. Viele Echo Ersatzteile halten wir ständig in unserem Lager für Sie bereit.

Rasen
Bankeinzug, MasterCard, Visa, American Express, PayPal, Nachnahme, Vorauskasse, Sofortüberweisung
Datenschutzerklärung Impressum
Qualitätsmanagement
Informieren Sie uns, wenn Sie einen Fehler gefunden haben.