Einstellungen Computer

Echo SRM-200DA - String Trimmer, S/N:061536 & Up Starter Ersatzteile

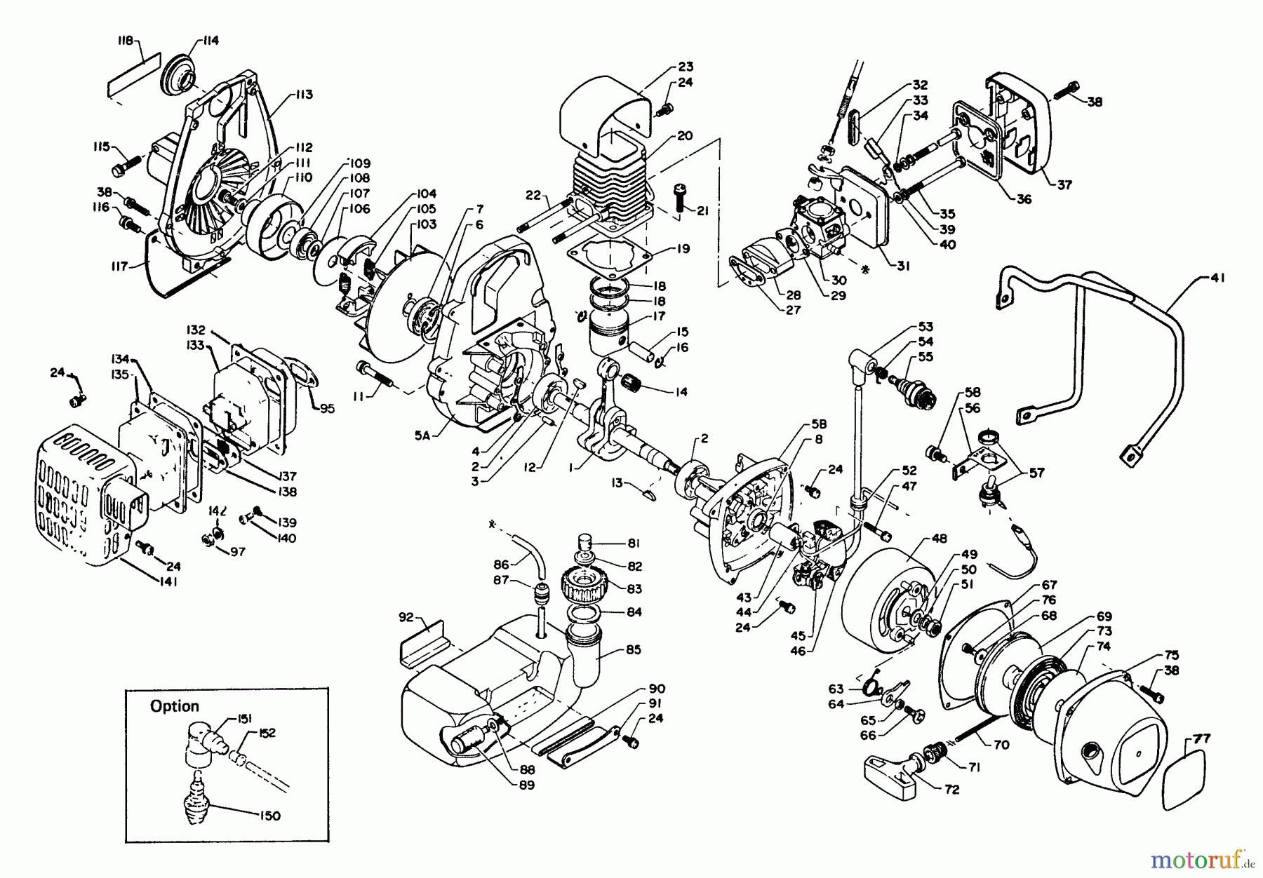
Starter SRM-200DA - Echo String Trimmer, S/N:061536 & Up

 Echo Trimmer, Faden / Bürste SRM-200DA - Echo String Trimmer, S/N:061536 & Up Starter

Hier finden Sie die Ersatzteilzeichnung für Echo Trimmer, Faden / Bürste SRM-200DA - Echo String Trimmer, S/N:061536 & Up Starter. Wählen Sie das benötigte Ersatzteil aus der Ersatzteilliste Ihres Echo Gerätes aus und bestellen Sie einfach online. Viele Echo Ersatzteile halten wir ständig in unserem Lager für Sie bereit.

BildNrArtikel NummerBezeichnung
1 16-100100-05331Kurbelwelle kpl. Produktion
2 16-94035-36201Kugellager EA-410/SHR-170SI
4 1699999999999
5 16-100200-05020Kurbelgehäuse Produktion
5A 16-100200-05020Kurbelgehäuse Produktion
5B 16-100200-05020Kurbelgehäuse Produktion
3 16-V622-000020Stift
6 16-900702-00032Seegerring, innen, 32mm
7 16-100212-03930Simmerring 12x32x5.5 / PPT-
8 16-100212-04630Simmerring
11 16-900242-05030Schraube
12 16-610325-02730Keil
13 16-100142-00310Polradkeil
14 16-175012-03930Nadellager CS-4500, CS-5501
15 16-100013-10210Kolbenbolzen SRM-200AE, SRM-
16 16-100015-04630Sicherungsring(Eisen) CS-2600/
17 16-100000-05330Kolben Produktion eingestellt
18 16-A101-000000Kolbenring GT-2150, EDR-2100
19 16-101010-04631Dichtung (Papier) Produktion
20 16-101011-05020Zylinder Produktion
21 16-900242-05022Schraube CS-2600
22 16-101014-22330Stehbolzen
23 16-101514-05020Zyl.-Abdeckung Produktion
24 16-900242-04010Schraube EA-410
27 16-130010-05021Dichtung Produktion
28 16-130017-05020Zwischenflansch Produktion
29 16-130016-06431Dichtung
30 16-123000-08430Vergaser Walbro WA-59R
31 16-130301-05021Luftfiltergehäuse
32 16-178810-05020Gummitülle
33 16-178515-06530Chokeklappe Produktion
34 16-178516-03930Distanzhülse CS-3000/3050/
35 16-130021-05020Bolze Produktion eingestellt
36 16-130310-06530Luftfilter
37 16-130313-05020Luftfilterdeckel
38 Echo Schraube16-900242-04020Schraube
39 16-900605-00005Scheibe PB-250/EC-7600
40 16-900600-00005Scheibe PB-500/452GS/DH2200ST
41 1612903107530
43 16-156127-04521Kondensator Produktion
44 16-156134-04630Ölfilz Produktion eingestellt
45 16-156101-04630Kontaktsatz Produktion
46 16-156126-04630Zündspule Produktion
47 16-900242-04025Schraube(Eisen)
48 16-156200-04631Polrad Produktion eingestellt
49 16-100143-04630Scheibe
50 16-900605-00008Scheibe
51 16-900502-00008Mutter EA-410
52 16-151112-04630Buchse CS-3700, PB-500
53 16-159012-01620Zündkerzenkappe SRM-2010, CS-
54 16-159011-03432Kontaktfeder CS-2600/4200/PB-
55 16-159010-00330Zündkerze
56 16-163810-07531Halterung Produktion
57 16-163400-07531Stop-Schalter Produktion
58 16-900242-05014Schraube(Eisen) CS-3500, SRM
63 16-177234-04632Feder Produktion eingestellt
64 16-177218-03930Starterklinke Produktion
65 16-177247-04630Hülse CS-3700
66 16-900216-05014Schraube
67 16-100615-04631Dichtung Produktion
16-177200-07531KPL. Starter Produktion
68 16-177214-04630Scheibe CS-270/3000/3400/3500
69 16-177206-05020Seilscheibe Produktion
70 16-177226-03930Starterseil CS-4500/4601/
71 16-177227-05330Seilführung CS-280EG/330EVL/
72 16-177228-11130Startergriff RM-310, SRM-310E
73 16-177220-03930Starterfeder CS-400EVL/4500,
74 16-177221-05020Platte Produktion eingestellt
75 16-177209-07530Startergehäuse Produktion
76 16-900242-04010Schraube EA-410
77 16-890012-00662Aufkleber Produktion
83 16-131004-06320Tankdeckel(Kunstst.)
81 16-131315-05020Filter CS-4500, SRM-200AE
82 16-131314-06320Ventil PB-24LN/-500/SRM-200AE
84 16-131016-04920Dichtung Produktion
85 16-131010-07531Benzintank Produktion
86 16-132010-07530Benzinleitung(Gummi)
87 16-132115-04920Dichtring(Gummi) CS-3500,3700,
88 16-900600-00006Scheibe
89 16-131200-02830Kraftstoff-Filter PB-400E CS-
90 16-131924-07530Gummi Produktion eingestellt
91 16-131910-05020Halterung Produktion
92 16-131920-07530Gummilager Produktion
95 16-145510-05021Auspuffdichtung Produktion
97 16-900560-00005Mutter M5, selbstsichernd (10)
103 16-101500-05020Lüfterrad Produktion
104 16-175009-05131Kupplungsbacken HC-2100, HCR-
105 16-175018-05130Kupplungsfeder
106 16-175019-04630Kupplungsplatte
107 16-175015-05020Scheibe Produktion eingestellt
108 16-900808-06000Kugellager Produktion
109 16-175044-04630Scheibe
110 1617501004633
111 16-175014-04630Scheibe
112 16-900105-06010Schraube
113 16-101511-07530Startergehäuse Produktion
114 16-159015-04630Abdeckg.Kerzenkappe Produktion
115 16-900142-05025Schraube HCA-2400, PAS-2400,
116 16-900242-05014Schraube(Eisen) CS-3500, SRM
117 16-305110-07530Abstellbock Produktion
118 16-890112-07530Aufkleber Produktion
132 16-145806-05120Auspuff Produktion eingestellt
133 16-145807-05120Auspuff Produktion eingestellt
134 1614586605121
135 16-145861-05120Auspuffabdeckung Produktion
137 16-145862-05120Auspuffschutz Produktion
138 16-145863-05120Halterung Produktion
139 16-900610-00004Scheibe
140 16-900220-04008Schraube
141 16-145871-08030Auspuffdeckel Produktion
142 Echo Scheibe(Eisen) CS-2600/PB-250/16-900603-00005Scheibe(Eisen) CS-2600/PB-250/
150 16-159010-10130Zündkerze
151 16-159012-10230Kerzenkappe
152 16-159016-05330Adapter
1614580005120
Rasen
Bankeinzug, MasterCard, Visa, American Express, PayPal, Nachnahme, Vorauskasse, Sofortüberweisung
Datenschutzerklärung Impressum
Qualitätsmanagement
Informieren Sie uns, wenn Sie einen Fehler gefunden haben.