Einstellungen Computer

Echo KE-200DA - String Trimmer Engine Engine, Crankcase, Ignition Ersatzteile

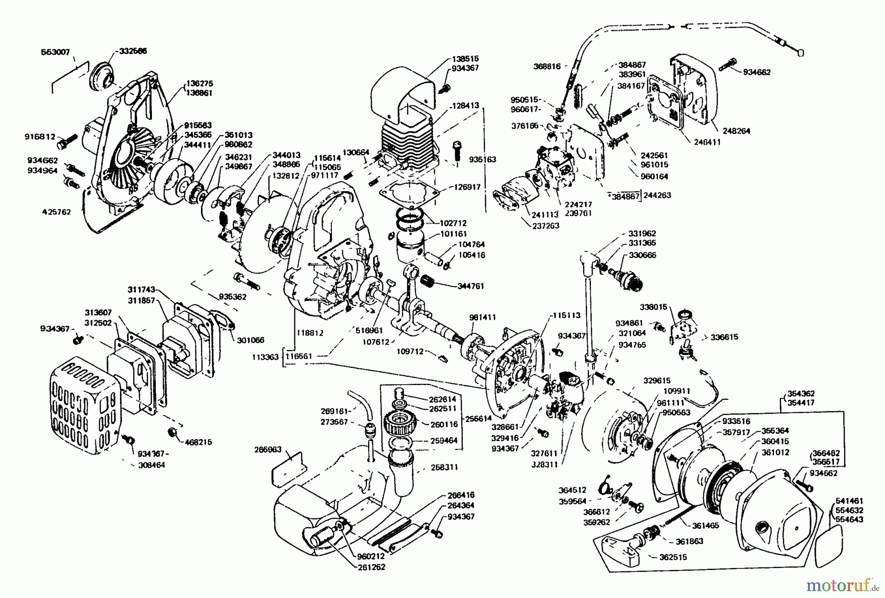
Engine, Crankcase, Ignition KE-200DA - Echo String Trimmer Engine

 Echo Trimmer, Faden / Bürste KE-200DA - Echo String Trimmer Engine Engine, Crankcase, Ignition

Hier finden Sie die Ersatzteilzeichnung für Echo Trimmer, Faden / Bürste KE-200DA - Echo String Trimmer Engine Engine, Crankcase, Ignition. Wählen Sie das benötigte Ersatzteil aus der Ersatzteilliste Ihres Echo Gerätes aus und bestellen Sie einfach online. Viele Echo Ersatzteile halten wir ständig in unserem Lager für Sie bereit.

BildNrArtikel NummerBezeichnung
101161 1699999999999
102712 16-A101-000000Kolbenring GT-2150, EDR-2100
104764 16-100013-10210Kolbenbolzen SRM-200AE, SRM-
105416 16-100015-04630Sicherungsring(Eisen) CS-2600/
107612 16-100100-05331Kurbelwelle kpl. Produktion
109712 16-100142-00310Polradkeil
109911 16-100143-04630Scheibe
113363 16-100200-05020Kurbelgehäuse Produktion
115065 16-100212-03930Simmerring 12x32x5.5 / PPT-
115113 16-100212-04630Simmerring
115614 16-100212-03930Simmerring 12x32x5.5 / PPT-
116561 16-V622-000020Stift
118812 16-100242-04630Kurbelgeh.-Dichtung Produktion
126917 16-101010-04631Dichtung (Papier) Produktion
128413 16-101011-05020Zylinder Produktion
130664 16-101014-22330Stehbolzen
132812 16-101500-05020Lüfterrad Produktion
136275 1610151105320
136861 1610151107630
138515 16-101514-05020Zyl.-Abdeckung Produktion
224217 16-123000-08430Vergaser Walbro WA-59R
237263 16-130010-05021Dichtung Produktion
239761 16-130016-06431Dichtung
241113 16-130017-05020Zwischenflansch Produktion
242561 16-130021-05020Bolze Produktion eingestellt
244263 16-130301-05021Luftfiltergehäuse
246411 16-130310-06530Luftfilter
248264 16-130313-05020Luftfilterdeckel
255614 16-131004-06320Tankdeckel(Kunstst.)
258311 16-131002-07530Benzintank Produktion
259464 16-131016-04920Dichtung Produktion
260116 16-131017-07430Tankdeckel Produktion
261262 16-131200-02830Kraftstoff-Filter PB-400E CS-
262511 16-131314-06320Ventil PB-24LN/-500/SRM-200AE
262614 16-131315-05020Filter CS-4500, SRM-200AE
264364 16-131910-05020Halterung Produktion
265963 16-131920-05020Gummilager Produktion
266416 16-131924-05020Halterung Produktion
269161 16-132010-07530Benzinleitung(Gummi)
273567 16-132115-04920Dichtring(Gummi) CS-3500,3700,
301066 16-145510-05021Auspuffdichtung Produktion
308464 16-145621-07530Auspuffabdeckung Produktion
311743 16-145806-05120Auspuff Produktion eingestellt
311857 16-145807-05120Auspuff Produktion eingestellt
312502 16-145861-05120Auspuffabdeckung Produktion
313607 1614586605121
321064 16-151112-04630Buchse CS-3700, PB-500
327611 16-156101-04630Kontaktsatz Produktion
328311 16-156126-04630Zündspule Produktion
328661 16-156127-04521Kondensator Produktion
329416 16-156134-04630Ölfilz Produktion eingestellt
329615 16-156200-04631Polrad Produktion eingestellt
330665 16-159010-00330Zündkerze
331365 16-159011-03432Kontaktfeder CS-2600/4200/PB-
331962 16-159012-01620Zündkerzenkappe SRM-2010, CS-
332566 16-159015-04630Abdeckg.Kerzenkappe Produktion
336615 16-163400-07531Stop-Schalter Produktion
338015 16-163810-07531Halterung Produktion
344013 16-175009-05131Kupplungsbacken HC-2100, HCR-
344411 1617501004633
344761 16-175012-03930Nadellager CS-4500, CS-5501
345365 16-175014-04630Scheibe
346231 16-175015-05020Scheibe Produktion eingestellt
348865 16-175018-05130Kupplungsfeder
349867 16-175019-04630Kupplungsplatte
351013 16-175044-04630Scheibe
354362 16-177200-07531KPL. Starter Produktion
354417 1617720007630
355364 16-177206-05020Seilscheibe Produktion
356462 16-177209-07530Startergehäuse Produktion
356517 1617720907630
357917 16-177214-04630Scheibe CS-270/3000/3400/3500
359262 16-900216-05014Schraube
359564 16-177218-03930Starterklinke Produktion
360415 16-177220-03930Starterfeder CS-400EVL/4500,
361012 16-177221-05020Platte Produktion eingestellt
361465 16-177226-03930Starterseil CS-4500/4601/
361863 16-177227-05330Seilführung CS-280EG/330EVL/
362515 16-177228-11130Startergriff RM-310, SRM-310E
364512 16-177234-04632Feder Produktion eingestellt
366612 16-177247-04630Hülse CS-3700
368616 1617800104320
376165 16-178021-07330Mutter Produktion eingestellt
383961 16-178515-06530Chokeklappe Produktion
384167 16-178516-03930Distanzhülse CS-3000/3050/
384867 16-178810-05020Gummitülle
425762 16-305110-07530Abstellbock Produktion
468215 16-900560-00005Mutter M5, selbstsichernd (10)
516961 16-610325-02730Keil
541461 16-890012-00662Aufkleber Produktion
553007 1689011205320
554632 1689013505520
554643 1689013505520
915563 16-900105-06010Schraube
916812 16-900142-05025Schraube HCA-2400, PAS-2400,
933516 16-900242-04010Schraube EA-410
934367 16-900242-04010Schraube EA-410
934662 Echo Schraube16-900242-04020Schraube
934765 16-900242-04025Schraube(Eisen)
934861 16-900242-05010Schraube PPT-300ES
934964 16-900242-05014Schraube(Eisen) CS-3500, SRM
935163 16-900242-05022Schraube CS-2600
935362 16-900242-05030Schraube
950515 16-900502-00006Mutter SRMF-340 6 (3N)
950563 16-900502-00008Mutter EA-410
960164 16-900600-00005Scheibe PB-500/452GS/DH2200ST
960212 16-900600-00006Scheibe
960617 16-900602-00006Scheibe
961015 16-900605-00005Scheibe PB-250/EC-7600
961111 16-900605-00008Scheibe
971117 16-900702-00032Seegerring, innen, 32mm
980862 16-900808-06000Kugellager Produktion
981411 16-94035-36201Kugellager EA-410/SHR-170SI
Rasen
Bankeinzug, MasterCard, Visa, American Express, PayPal, Nachnahme, Vorauskasse, Sofortüberweisung
Datenschutzerklärung Impressum
Qualitätsmanagement
Informieren Sie uns, wenn Sie einen Fehler gefunden haben.