Einstellungen Computer

Echo PPT-280 - Pole Saw / Pruner, S/N: E09213001001 - E09213999999 Gear Case, Auto-Oiler Ersatzteile

Gear Case, Auto-Oiler PPT-280 - Echo Pole Saw / Pruner, S/N: E09213001001 - E09213999999

 Echo Hochentaster PPT-280 - Echo Pole Saw / Pruner, S/N: E09213001001 - E09213999999 Gear Case, Auto-Oiler

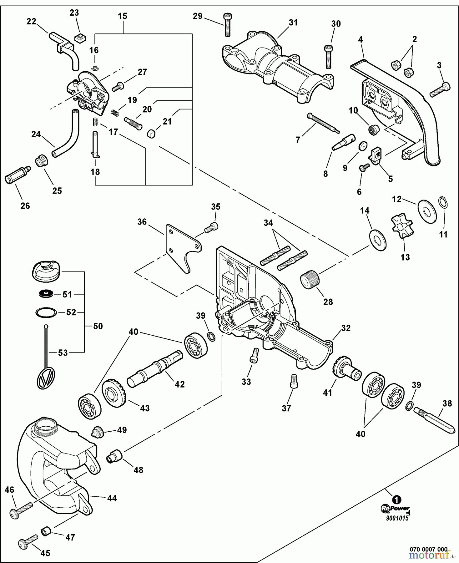
Hier finden Sie die Ersatzteilzeichnung für Echo Hochentaster PPT-280 - Echo Pole Saw / Pruner, S/N: E09213001001 - E09213999999 Gear Case, Auto-Oiler. Wählen Sie das benötigte Ersatzteil aus der Ersatzteilliste Ihres Echo Gerätes aus und bestellen Sie einfach online. Viele Echo Ersatzteile halten wir ständig in unserem Lager für Sie bereit.

BildNrArtikel NummerBezeichnung
1 169001015
2 Echo Schienend.-Mutter CS-3000/16-433019-03933Schienend.-Mutter CS-3000/
3 16-V253-000180Schraube
4 16-C300-000920Schienendeckel PPT-265ES/300ES
5 16-V355-000140Führung CS-350T-300
6 16-V252-000040Schraube PPT-300ES
7 16-V203-000041Kettenspannschraube CS-3700/
8 16-C309-000030Stellmutter CS-2600,4400,3700,
9 16-V651-000310Stirnrad Kettenspanner, PPT-
10 16-V651-000320Stirnrad Kettenspanner, PPT-
11 16-V583-000090Ring PPT-300ES
12 16-V307-000160Scheibe, Ritzel, PPT-265ES/-
13 16-C580-000070Zahnrad PPT-300ES
14 16-175014-39131Scheibe CS-2600/CS-350TES/PPT-
15 16-C022-000010Ölpumpe, PPT-265ES/-300ES
16 16-125327-15130Clip
17 16-P022-010670Feder, Ölpumpe PPT-265ES
18 16-P022-010680Schraube, Einstellung Ölpumpe,
19 16-P022-010660Feder, Ölpumpe PPT-265ES
20 16-P022-010650Stempel, Ölpumpe PPT-265ES
21 16-P022-010640Abdeckung, Stempel Ölpumpe
22 16-V470-000180Ölleitung SBPP-SRM-300
23 16-437244-39130Dichtstück PPT-2100/-2400/-
24 16-130110-14330Impulsschlauch
25 16-132115-01461Dichtring (Gummi) CS-2600/PPT-
26 16-436205-02832Ölfilter CS-2600/PPT-300ES
27 16-V253-000200Schraube PPT-300ES
28 16V652000021
29 16-V253-000240Schraube PPT-300ES
30 16-900105-05025Schraube DH2200ST/PPT-300ES
31 16-C531-000030Getriebegehäuse PPT-2100/-
32 16-C531-000430Getriebegehäuse, Schneidkopf
33 16-V253-000200Schraube PPT-300ES
34 16-V224-000040Stehbolzen, Schneidkopf PPT-
35 16-V253-000200Schraube PPT-300ES
36 16-C649-000140Platte, Schneidkopf PPT-265ES/
37 16-900105-05010Schraube PPT-300ES
38 16-610025-22361Wellenantrieb PPT-2100/-2400/-
39 16-900706-00012Haltering PPT-300ES
40 16-94042-06001Kugellager PPT-2100/-2400/-
41 16-V651-000210Antriebsrad PPT-2100/-300ES
42 16-C534-000430Antriebswelle, Schneidkopf
43 16-V651-000201Antriebsrad, Schneidkopf PPT-
44 16-C200-000081Öltank, Schneidkopf PPT-265ES/
45 16-V253-000230Schraube PPT-300ES
46 16-V253-000240Schraube PPT-300ES
47 16-131045-28230Hülse PPT-300ES
48 16-V354-000010Hülse PPT-300ES
49 16-131314-06320Ventil PB-24LN/-500/SRM-200AE
50 16-P021-005592Tankdeckel CS-2600/2700ES/
51 16-436012-37830Dichtung PPT-2100,PPT-2400,
52 16-900720-00018O-Ring(Gummi) CS-2600/PPT-
53 16-A365-000050Halter, Tankdeckel CS-3700ES/-
Rasen
Bankeinzug, MasterCard, Visa, American Express, PayPal, Nachnahme, Vorauskasse, Sofortüberweisung
Datenschutzerklärung Impressum
Qualitätsmanagement
Informieren Sie uns, wenn Sie einen Fehler gefunden haben.