Echo CS-702EVL - Chainsaw Magneto And Stator For Model CS-702EVL Only Ersatzteile
Magneto And Stator For Model CS-702EVL Only CS-702EVL - Echo Chainsaw

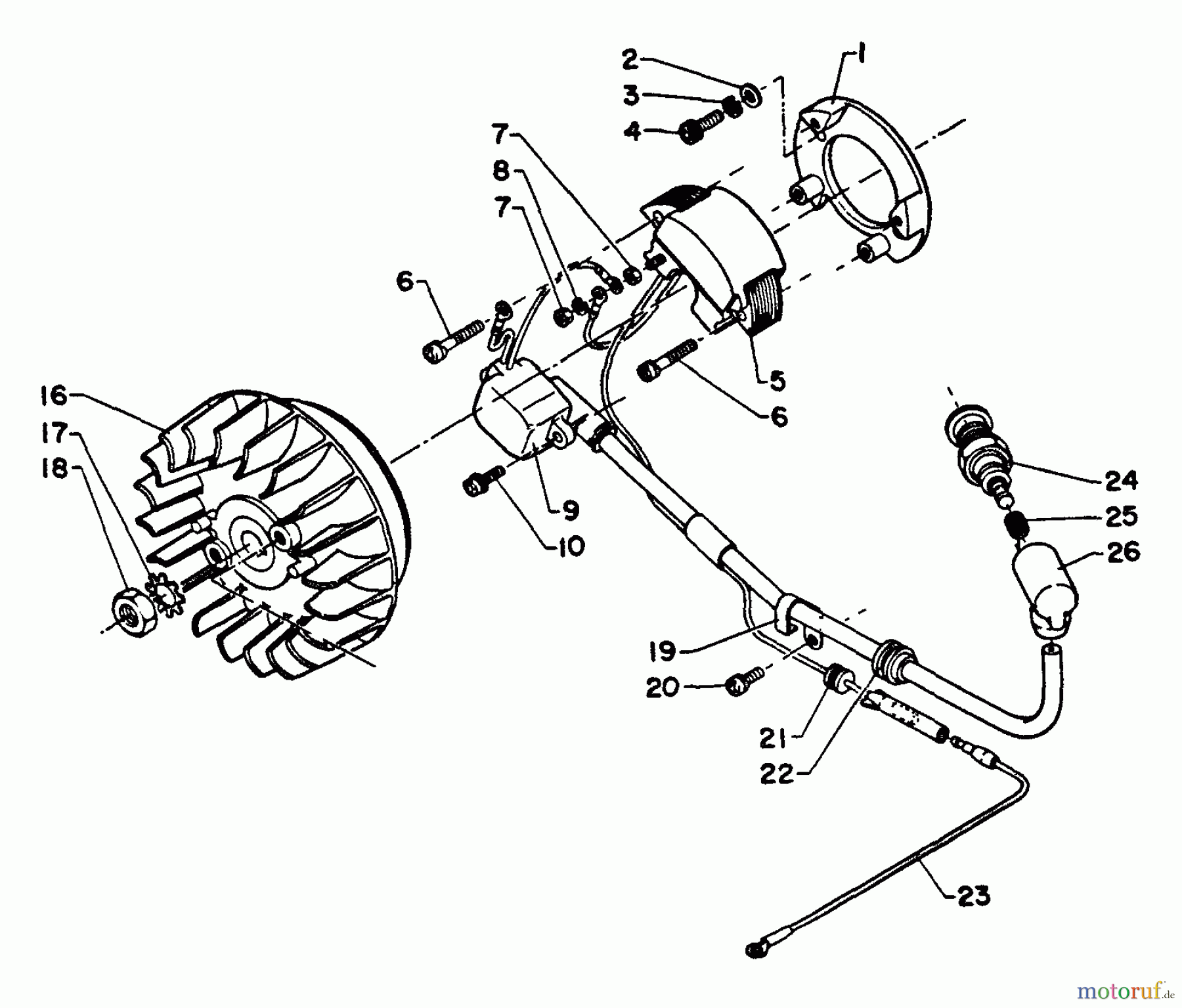
Hier finden Sie die Ersatzteilzeichnung für Echo Sägen, Kettensägen CS-702EVL - Echo Chainsaw Magneto And Stator For Model CS-702EVL Only. Wählen Sie das benötigte Ersatzteil aus der Ersatzteilliste Ihres Echo Gerätes aus und bestellen Sie einfach online. Viele Echo Ersatzteile halten wir ständig in unserem Lager für Sie bereit.



