Echo CS-601SVL - Chainsaw Carburetor (2) Ersatzteile
Carburetor (2) CS-601SVL - Echo Chainsaw

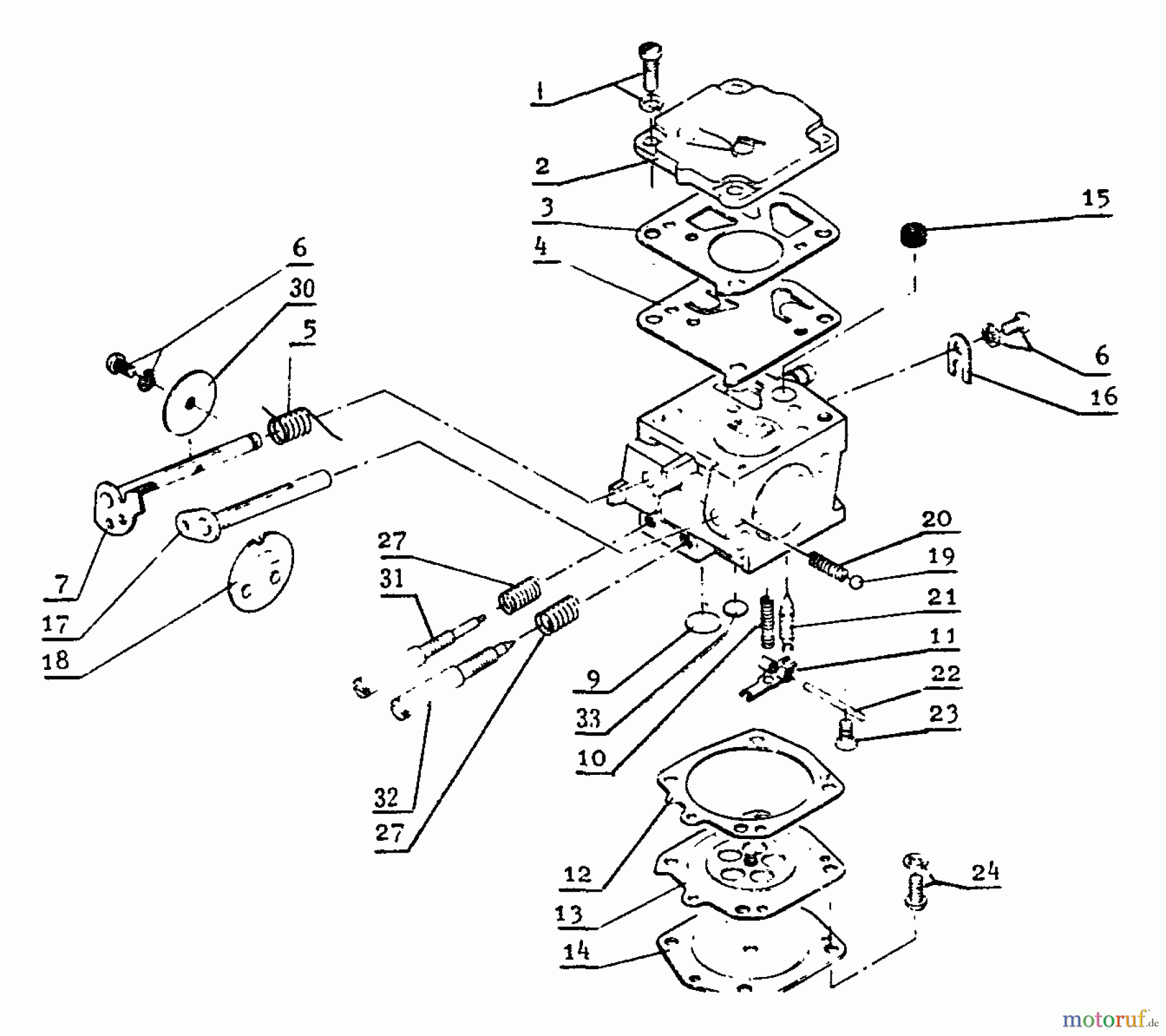
Hier finden Sie die Ersatzteilzeichnung für Echo Sägen, Kettensägen CS-601SVL - Echo Chainsaw Carburetor (2). Wählen Sie das benötigte Ersatzteil aus der Ersatzteilliste Ihres Echo Gerätes aus und bestellen Sie einfach online. Viele Echo Ersatzteile halten wir ständig in unserem Lager für Sie bereit.


Qualitätsmanagement
Informieren Sie uns, wenn Sie einen Fehler gefunden haben.

