Echo SHC-2100 - Shaft Hedge Trimmer (Type 1E) Fan Case, Clutch, Starter, Fuel System Ersatzteile
Fan Case, Clutch, Starter, Fuel System SHC-2100 - Echo Shaft Hedge Trimmer (Type 1E)

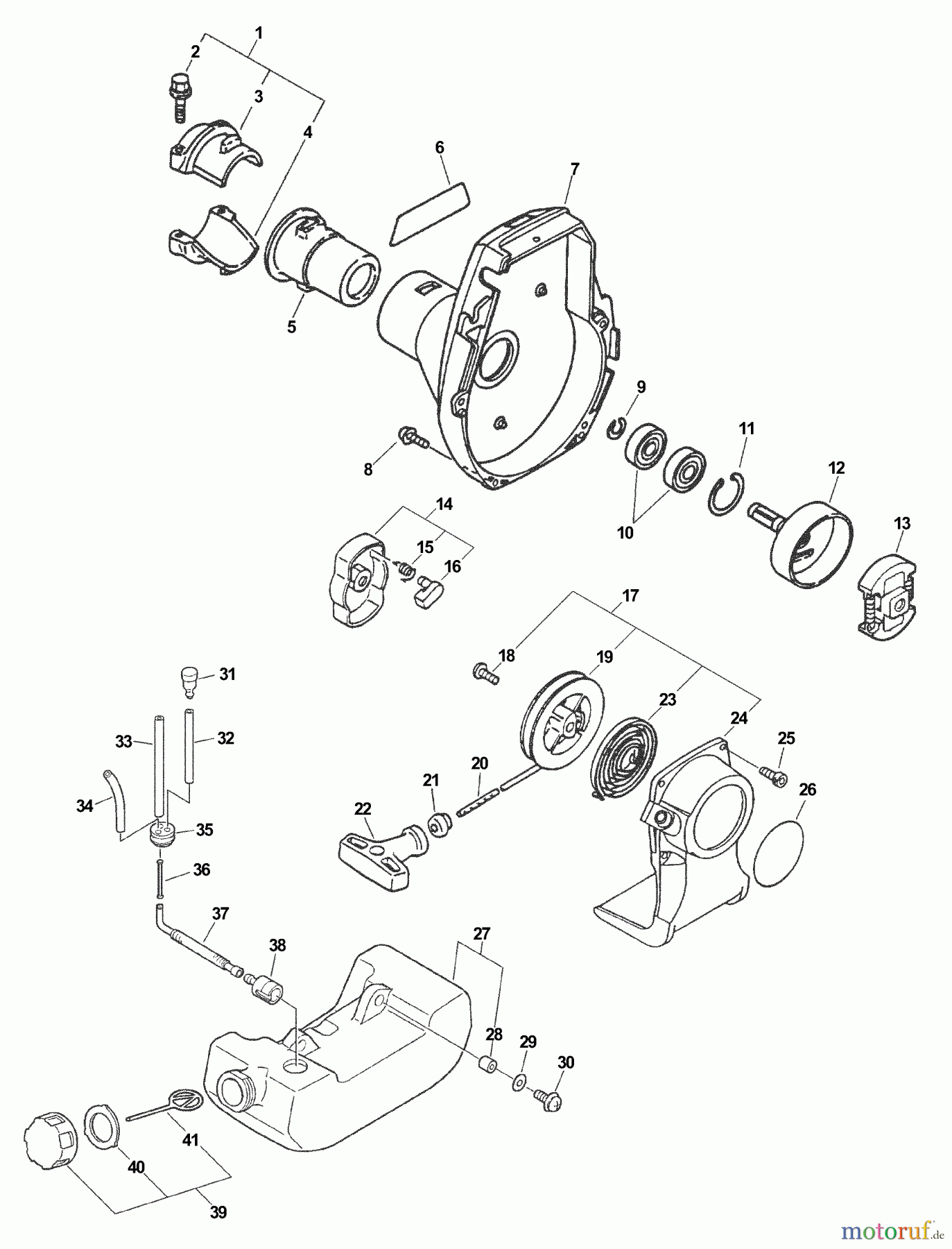
Hier finden Sie die Ersatzteilzeichnung für Echo Heckenscheren SHC-2100 - Echo Shaft Hedge Trimmer (Type 1E) Fan Case, Clutch, Starter, Fuel System. Wählen Sie das benötigte Ersatzteil aus der Ersatzteilliste Ihres Echo Gerätes aus und bestellen Sie einfach online. Viele Echo Ersatzteile halten wir ständig in unserem Lager für Sie bereit.






