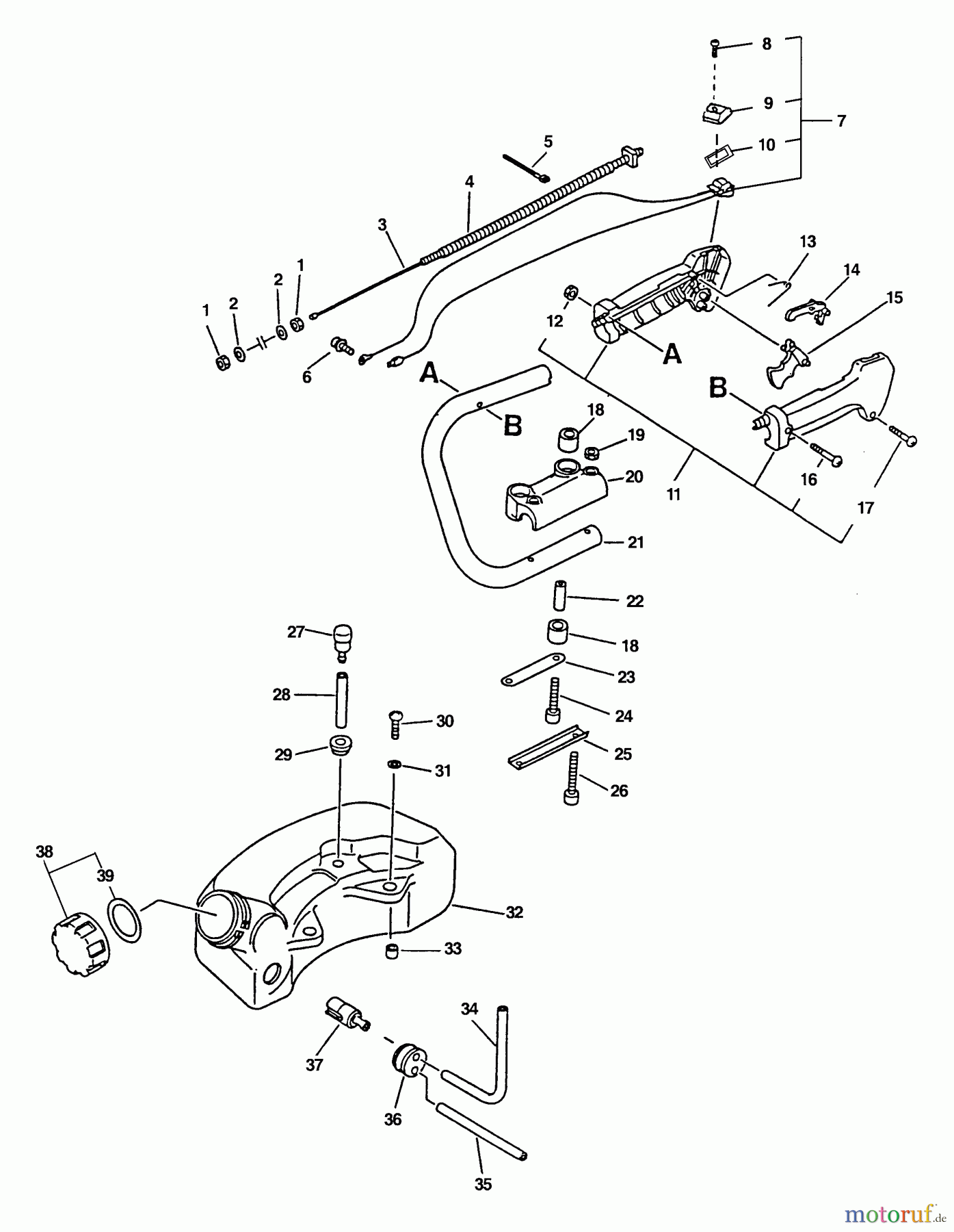
Echo HC-2000 - Hedge Trimmer (Type 1) Fuel System, Handles, Ignition Switch, Throttle Ersatzteile
Fuel System, Handles, Ignition Switch, Throttle HC-2000 - Echo Hedge Trimmer (Type 1)

Hier finden Sie die Ersatzteilzeichnung für Echo Heckenscheren HC-2000 - Echo Hedge Trimmer (Type 1) Fuel System, Handles, Ignition Switch, Throttle. Wählen Sie das benötigte Ersatzteil aus der Ersatzteilliste Ihres Echo Gerätes aus und bestellen Sie einfach online. Viele Echo Ersatzteile halten wir ständig in unserem Lager für Sie bereit.




