Echo HC-140 - Hedge Trimmer Gear Case, Handles, Blades, Throttle, Tools Ersatzteile
Gear Case, Handles, Blades, Throttle, Tools HC-140 - Echo Hedge Trimmer

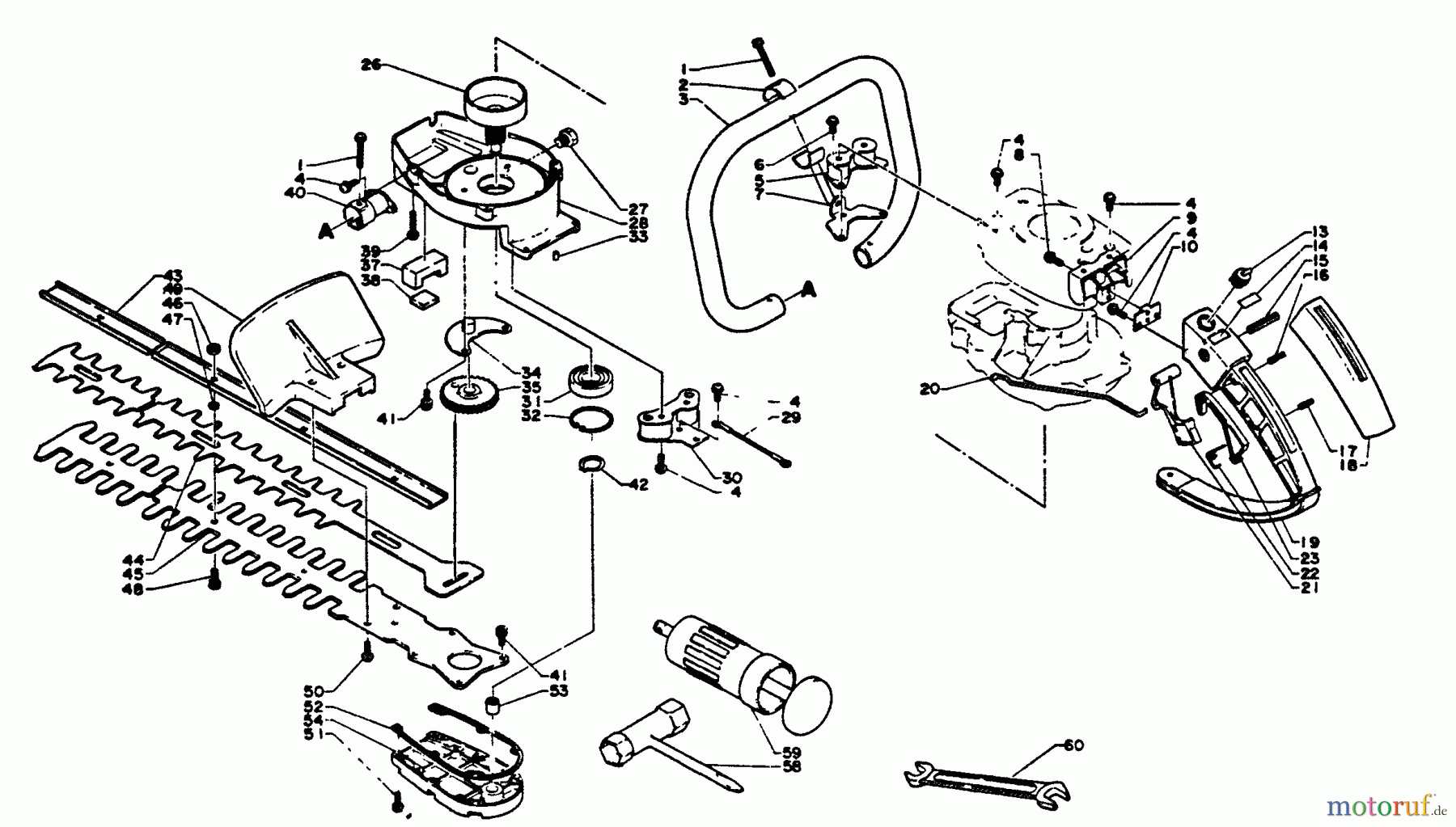
Hier finden Sie die Ersatzteilzeichnung für Echo Heckenscheren HC-140 - Echo Hedge Trimmer Gear Case, Handles, Blades, Throttle, Tools. Wählen Sie das benötigte Ersatzteil aus der Ersatzteilliste Ihres Echo Gerätes aus und bestellen Sie einfach online. Viele Echo Ersatzteile halten wir ständig in unserem Lager für Sie bereit.


