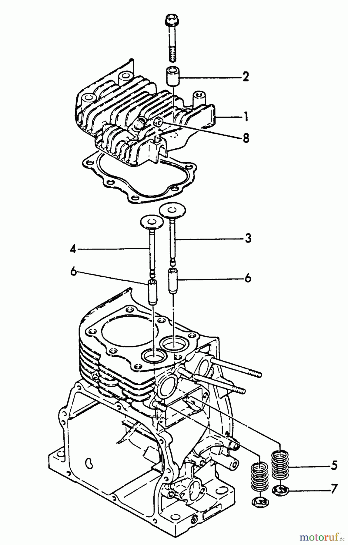
Echo EG-2300 - Portable Generator, S/N: 01001 - 03371 Cylinder Head Ersatzteile
Cylinder Head EG-2300 - Echo Portable Generator, S/N: 01001 - 03371

Hier finden Sie die Ersatzteilzeichnung für Echo Stromerzeuger EG-2300 - Echo Portable Generator, S/N: 01001 - 03371 Cylinder Head. Wählen Sie das benötigte Ersatzteil aus der Ersatzteilliste Ihres Echo Gerätes aus und bestellen Sie einfach online. Viele Echo Ersatzteile halten wir ständig in unserem Lager für Sie bereit.
| BildNr | Artikel Nummer | Bezeichnung | |
| 1 | 1699999999999 | ||
| 2 | 16Y16071011050 | ||
| 3 | 16Y16071011100 | ||
| 4 | 16Y16071011110 | ||
| 5 | 16Y16071011120 | ||
| 6 | 16Y16061011160 | ||
| 7 | 16Y16061011180 | ||
| 8 | 16Y26756060002 | ||


Qualitätsmanagement
Informieren Sie uns, wenn Sie einen Fehler gefunden haben.

