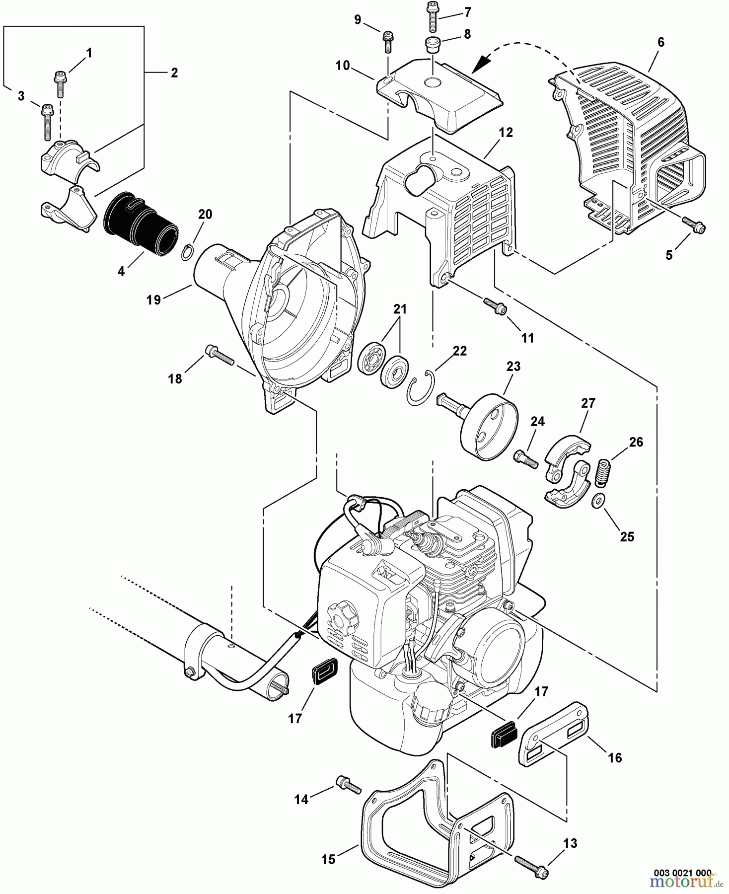
Echo PE-311 - Edger, S/N: S68711001001 - S68711999999 Engine Cover, Fan Case, Clutch Ersatzteile
Engine Cover, Fan Case, Clutch PE-311 - Echo Edger, S/N: S68711001001 - S68711999999

Hier finden Sie die Ersatzteilzeichnung für Echo Kantenschneider PE-311 - Echo Edger, S/N: S68711001001 - S68711999999 Engine Cover, Fan Case, Clutch. Wählen Sie das benötigte Ersatzteil aus der Ersatzteilliste Ihres Echo Gerätes aus und bestellen Sie einfach online. Viele Echo Ersatzteile halten wir ständig in unserem Lager für Sie bereit.


Qualitätsmanagement
Informieren Sie uns, wenn Sie einen Fehler gefunden haben.

