Echo PE-2400 - Edger, S/N: 008001 - 018099 Engine, Crankcase, Fan Housing, Cover, Starter, Ignition, Clutch Ersatzteile
Engine, Crankcase, Fan Housing, Cover, Starter, Ignition, Clutch PE-2400 - Echo Edger, S/N: 008001 - 018099

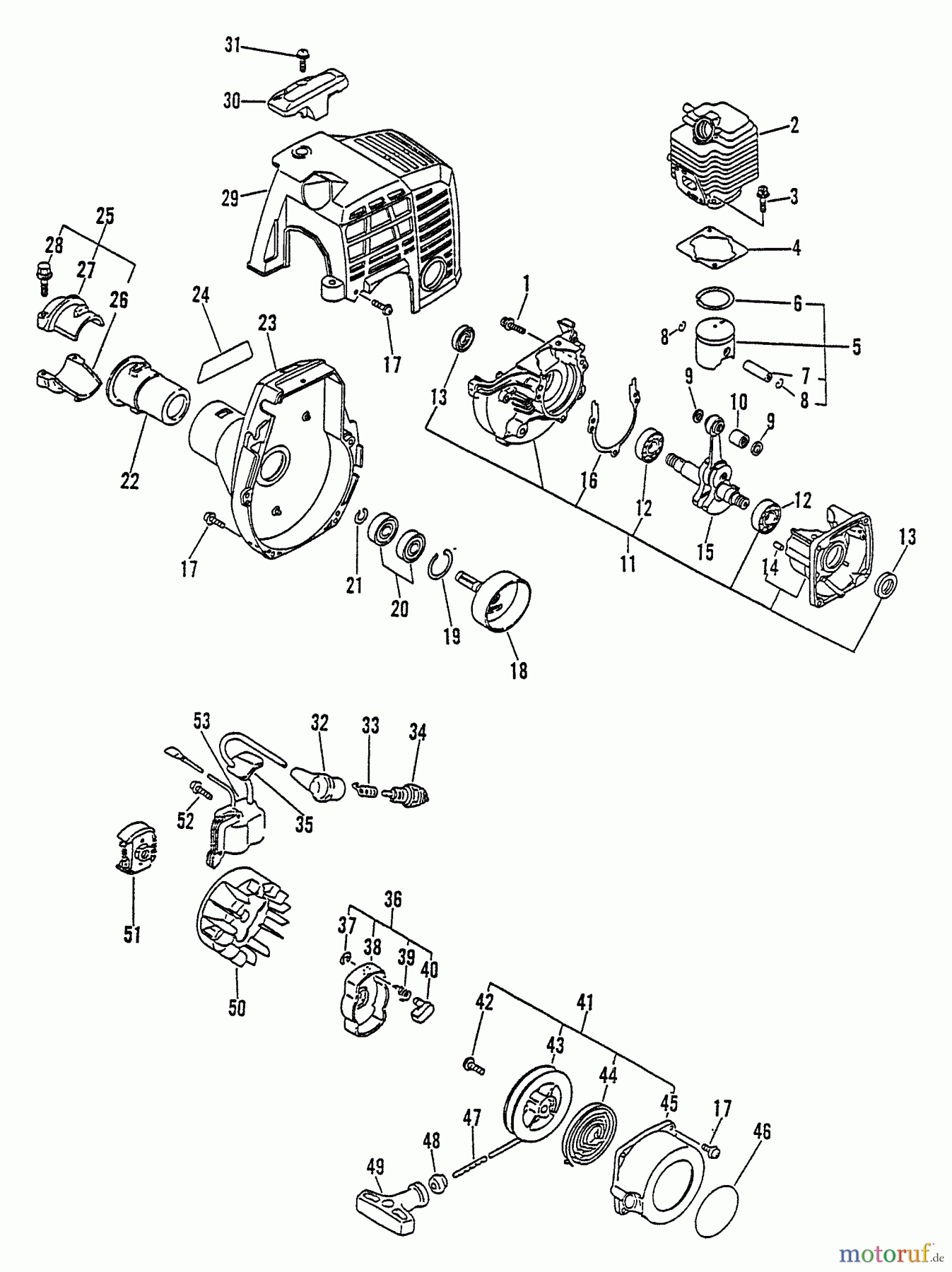
Hier finden Sie die Ersatzteilzeichnung für Echo Kantenschneider PE-2400 - Echo Edger, S/N: 008001 - 018099 Engine, Crankcase, Fan Housing, Cover, Starter, Ignition, Clutch. Wählen Sie das benötigte Ersatzteil aus der Ersatzteilliste Ihres Echo Gerätes aus und bestellen Sie einfach online. Viele Echo Ersatzteile halten wir ständig in unserem Lager für Sie bereit.


Qualitätsmanagement
Informieren Sie uns, wenn Sie einen Fehler gefunden haben.



