Einkaufswagen
Mein Konto

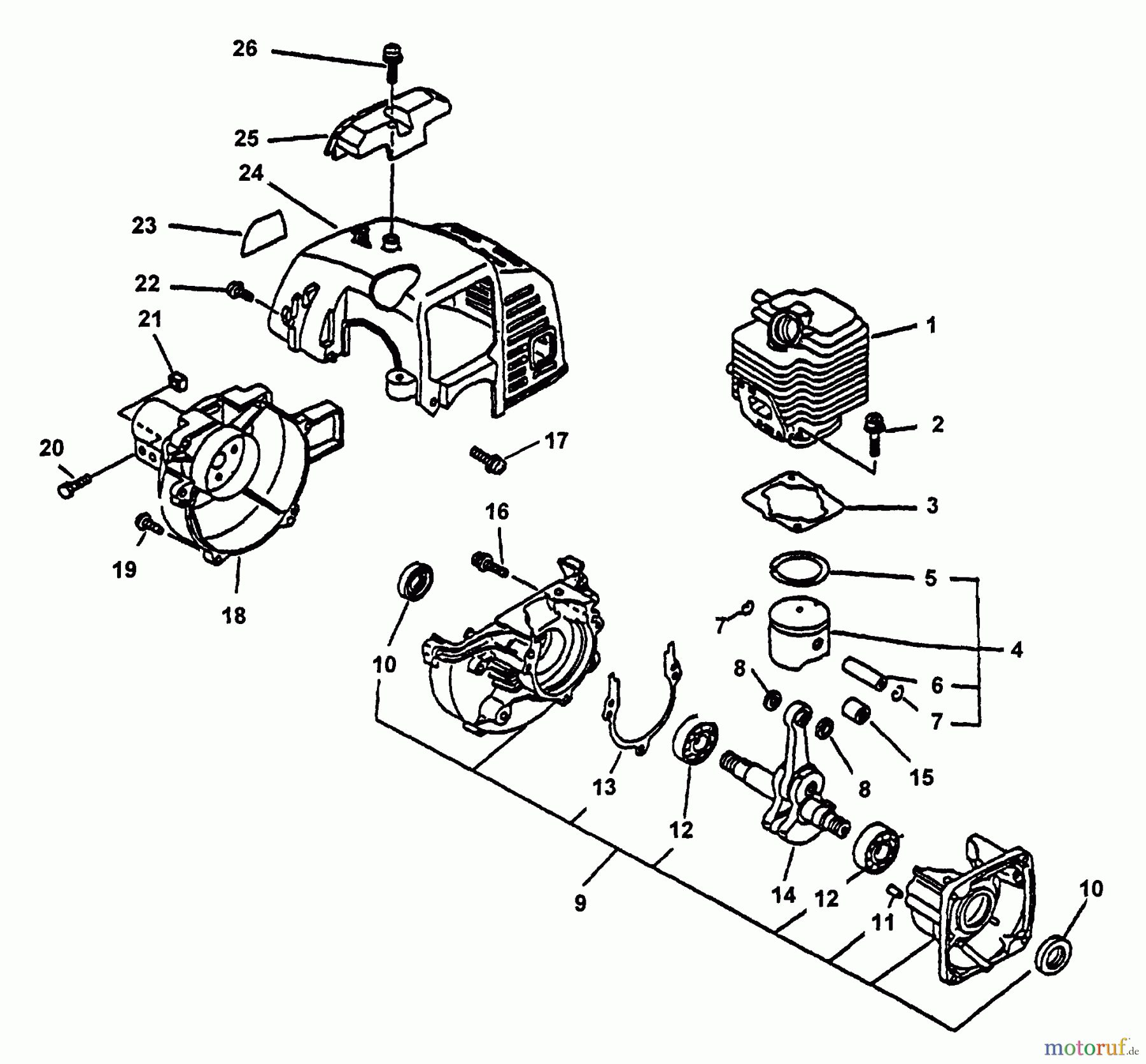
Echo PE-2000 - Edger (Type 1E) Engine, Fan Housing, Cylinder Cover Ersatzteile

Engine, Fan Housing, Cylinder Cover PE-2000 - Echo Edger (Type 1E)

 Echo Kantenschneider PE-2000 - Echo Edger (Type 1E) Engine, Fan Housing, Cylinder Cover

Hier finden Sie die Ersatzteilzeichnung für Echo Kantenschneider PE-2000 - Echo Edger (Type 1E) Engine, Fan Housing, Cylinder Cover. Wählen Sie das benötigte Ersatzteil aus der Ersatzteilliste Ihres Echo Gerätes aus und bestellen Sie einfach online. Viele Echo Ersatzteile halten wir ständig in unserem Lager für Sie bereit.

Rasen
Bankeinzug, MasterCard, Visa, American Express, PayPal, Nachnahme, Vorauskasse, Sofortüberweisung
Qualitätsmanagement
Informieren Sie uns, wenn Sie einen Fehler gefunden haben.