Echo PB-202 - Hand Held Blower, S/N: 0040502 - 9999999 Ignition Switch, Throttle Control S/N: 0005001 - 0020500 Ersatzteile
Ignition Switch, Throttle Control S/N: 0005001 - 0020500 PB-202 - Echo Hand Held Blower, S/N: 0040502 - 9999999

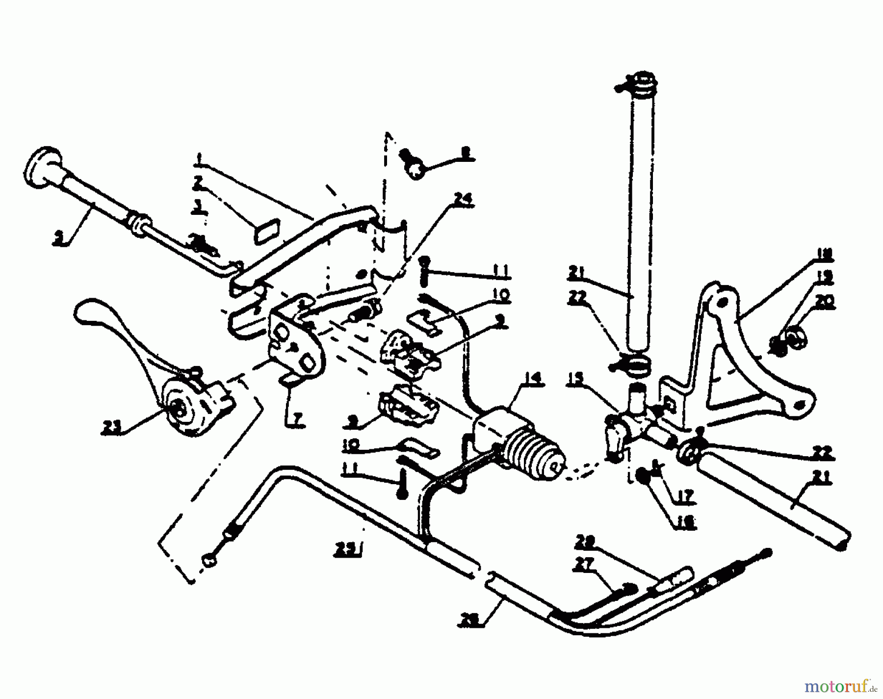
Hier finden Sie die Ersatzteilzeichnung für Echo Bläser / Sauger / Häcksler / Mulchgeräte PB-202 - Echo Hand Held Blower, S/N: 0040502 - 9999999 Ignition Switch, Throttle Control S/N: 0005001 - 0020500. Wählen Sie das benötigte Ersatzteil aus der Ersatzteilliste Ihres Echo Gerätes aus und bestellen Sie einfach online. Viele Echo Ersatzteile halten wir ständig in unserem Lager für Sie bereit.


Qualitätsmanagement
Informieren Sie uns, wenn Sie einen Fehler gefunden haben.

