Zurück zu
>
Spindelmäher
>
Accu
>
TC 32 MAC ( 2004 / 3617000-A )
>
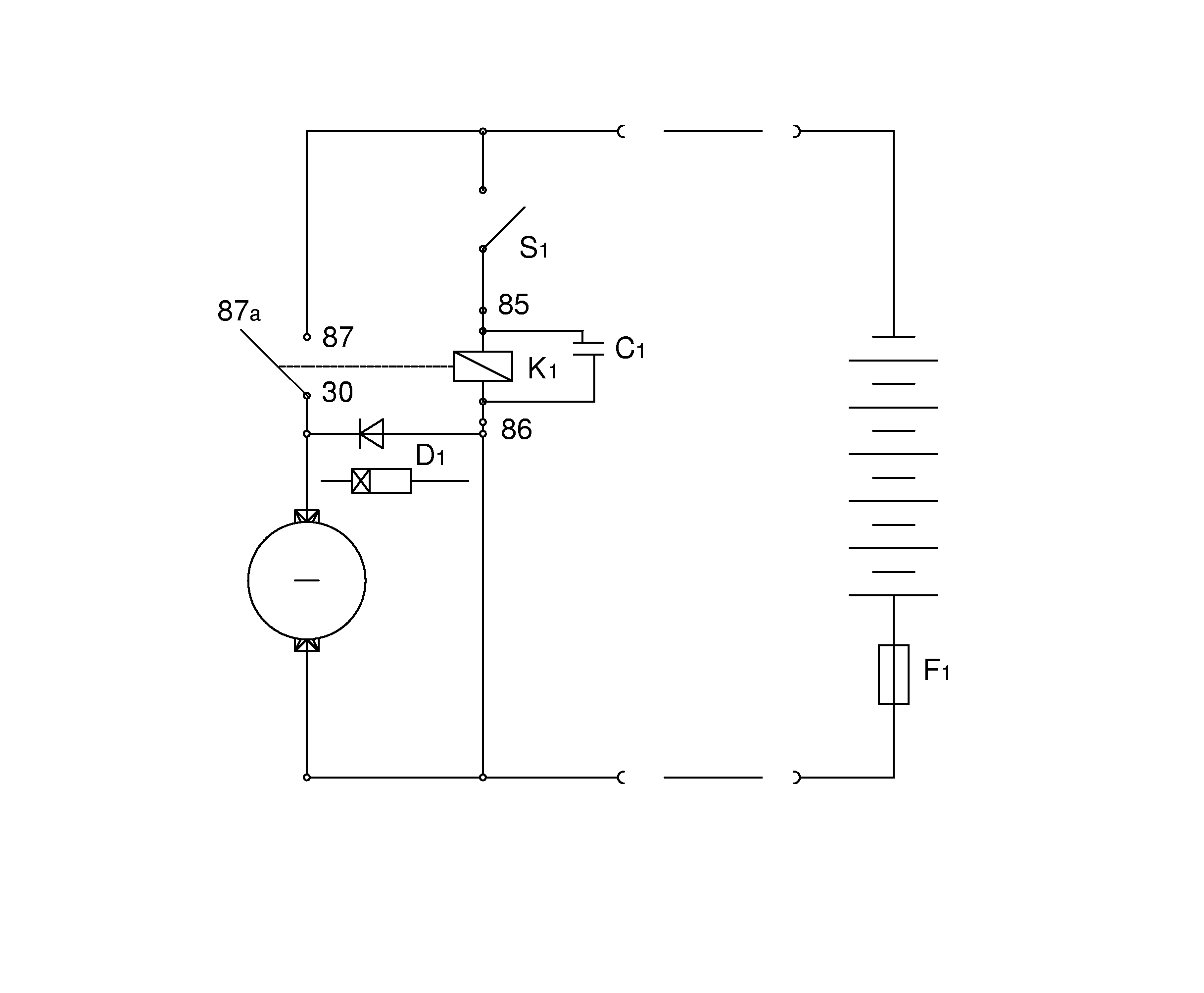
Schaltplan (3617000a-2004-6)
Ersatzteillisten für Wolf Spindelmäher Schaltplan (3617000a-2004-6)
Pos.
Bezeichnung
Ersatzteilnummer
C1
Condenser
Kondensator
D1
Diode
Diode
F1
Excess-current release
Überstromauslöser
S1
Appliance switch
Geräteschalter
K1
Relay
Relais
Gebrauchsanweisungen
Wolf
Handgeräte
Heckenscheren
Universalscheren
Handgrasscheren
Astscheren
Baumscheren
Baumpflege
Beleuchtungssysteme
Accuscheren
Häcksler
Sägen
Trimmer
Spindelmäher
Elektro
Accu
TC 32 MAC ( 2004 / 3617000-A )
Datenblatt (3617000a-2004-1)
Chassis, Räder, Messer (3617000a-2004-2)
Motor, Abdeckungen, Akku (3617000a-2004-3)
Griff, Schalter (3617000a-2004-4)
Kabelbaum (3617000a-2004-5)
Schaltplan (3617000a-2004-6)
Fangsack FS32 ( 2005 / 3628066- )
Mach
Standard
Streuwagen / Portax
Schlauchwagen
Vertikutierer / Lüfter / Aerifizierer
Mäher
Aufsitzmäher
Benzinmotoren
Zubehör
Impressum
(C) by motoruf